
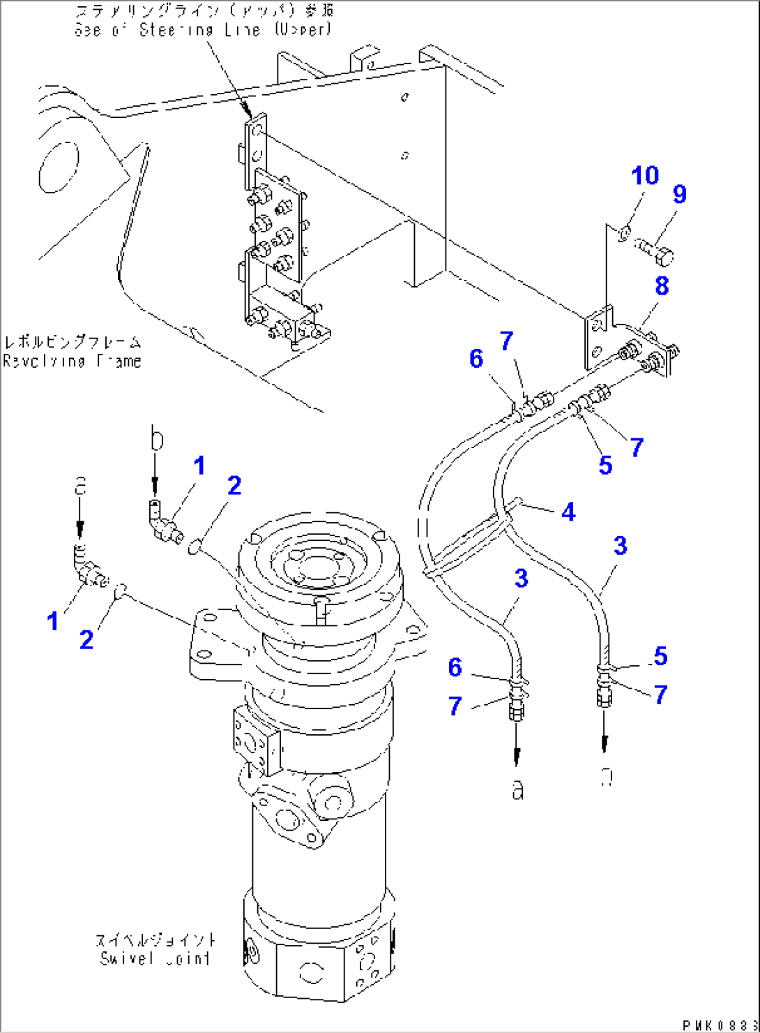
| Item | Part No. | Part Name | Qty | Serial No. |
| 1 | 07235-10210 | ELBOW | 1001-@ | |
| 2 | 07002-11423 | O-RING | 1001-1200 | |
| 3 | 07102-20208 | HOSE | 1001-1200 | |
| 4 | 08034-00536 | BAND | 1001-@ | |
| 5 | 20Y-62-22820 | BAND¤ BLUE | 1001-@ | |
| 6 | 20Y-62-22830 | BAND¤ WHITE | 1001-@ | |
| 7 | 20Y-62-22860 | BAND¤ BROWN | 1001-@ | |
| 8 | 21J-62-12480 | BRACKET | 1001-@ | |
| 9 | 01010-81230 | BOLT | 1001-@ | |
| 10 | 01643-31232 | WASHER | 1001-@ |
