
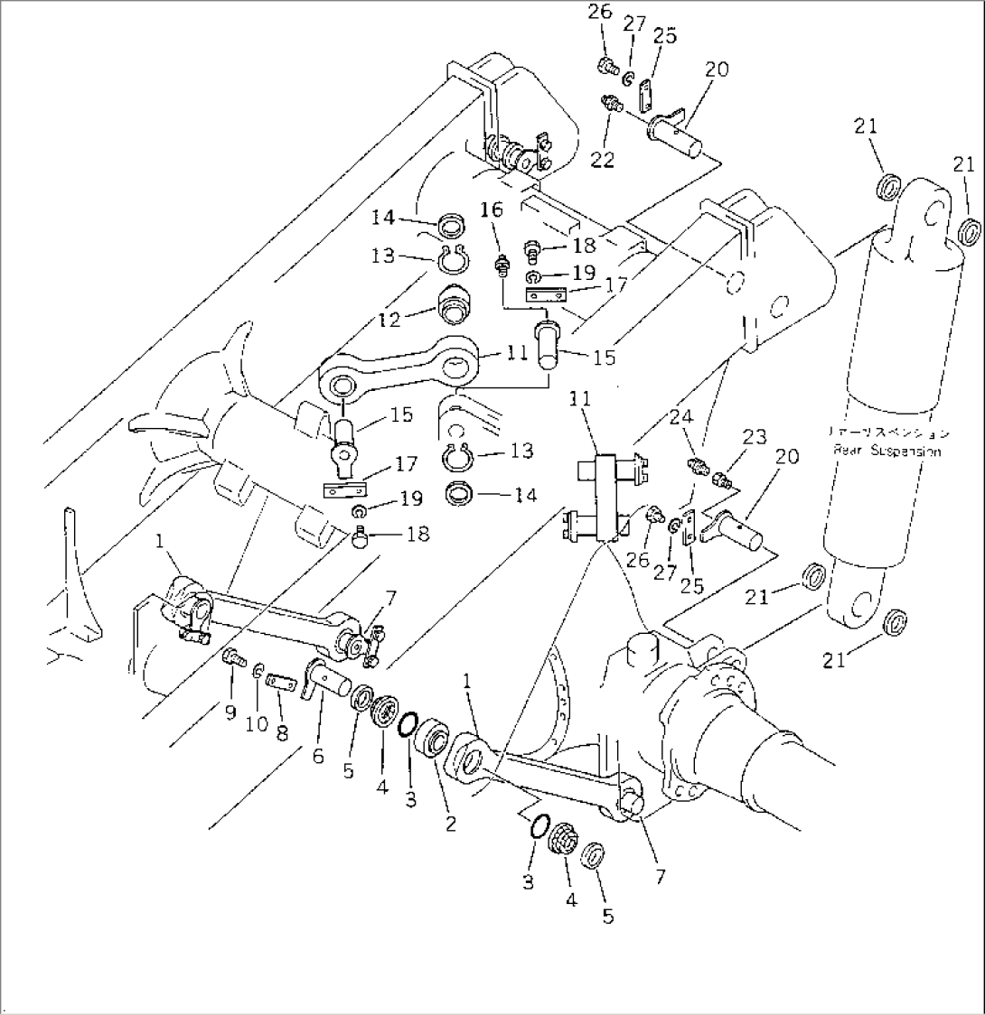
| Item | Part No. | Part Name | Qty | Serial No. |
| 1 | 566-52-41110 | ROD | 2001- | |
| 2 | 566-52-41920 | BUSHING | 2001- | |
| 3 | 07000-02060 | O-RING | 2001- | |
| 4 | 566-52-41940 | BOOT | 2001- | |
| 5 | 566-52-41950 | SPACER | 2001- | |
| 6 | 566-52-11141 | PIN | 2001- | |
| 7 | 566-52-41210 | PIN | 2001- | |
| 8 | 281-70-15290 | PLATE | 2001- | |
| 9 | 01010-51425 | BOLT | 2001- | |
| 10 | 01602-21442 | WASHER,SPRING | 2001- | |
| 11 | 566-52-41120 | ROD | 2001- | |
| 12 | 566-52-11461 | BEARING | 2001- | |
| 13 | 04065-09030 | RING,SNAP | 2001- | |
| 14 | 566-52-11120 | SPACER | 2001- | |
| 15 | 566-52-11141 | PIN | 2001- | |
| 16 | 07020-00000 | FITTING,GREASE | 2001- | |
| 17 | 281-70-15290 | PLATE | 2001- | |
| 18 | 01010-51425 | BOLT | 2001- | |
| 19 | 01602-21442 | WASHER,SPRING | 2001- | |
| 20 | 566-52-11141 | PIN | 2001- | |
| 21 | 566-52-11120 | SPACER | 2001- | |
| 22 | 07020-00000 | FITTING,GREASE | 2001- | |
| 23 | 566-52-12210 | NIPPLE | 2001- | |
| 24 | 07020-00675 | FITTING,GREASE | 2001- | |
| 25 | 281-70-15290 | PLATE | 2001- | |
| 26 | 01010-51425 | BOLT | 2001- | |
| 27 | 01602-21442 | WASHER,SPRING | 2001- |
