
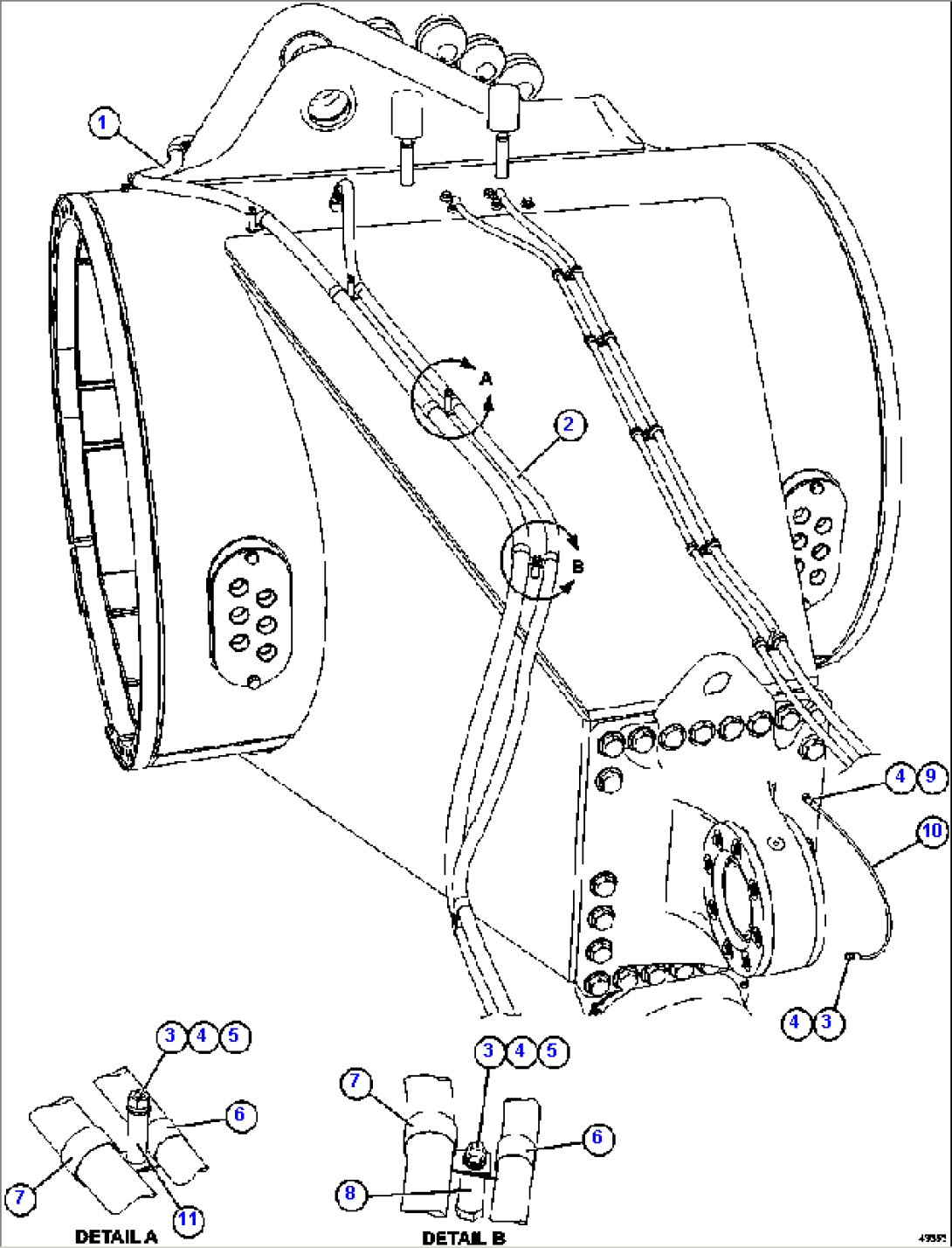
| Item | Part No. | Part Name | Qty | Serial No. |
| 1 | 58E-06-00140 | HARNESS, RIGHT REAR FRAME | ||
| 2 | 58E-06-00630 | HARNESS, GE | ||
| 3 | MM0178 | NUT - M10 X 1.50 | ||
| 4 | MM0471 | LOCKWASHER - M10 | ||
| 5 | MM0461 | FLAT WASHER - M10 | ||
| 6 | TR9441 | CLAMP, VINYL - 1 1/4" | ||
| 7 | TF6924 | CLAMP, VINYL - 1 3/4" | ||
| 8 | EM1393 | SPACER | ||
| 9 | MM0603 | CAPSCREW - M10 X 1.50 X 16 | ||
| 10 | XB2497 | WIRE, GROUND | ||
| 11 | EK9883 | SPACER |
