
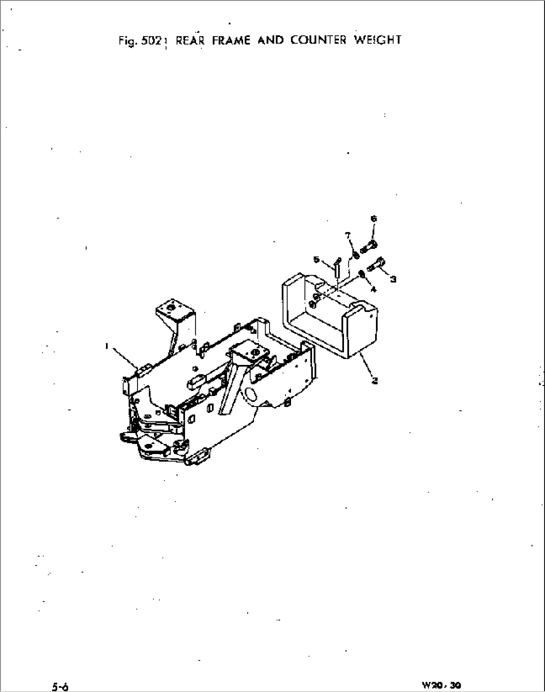
| Item | Part No. | Part Name | Qty | Serial No. |
| 1 | 385-10265591 | FRAME,REAR | 10001- | |
| 2 | 385-10215922 | WEIGHT,COUNTER | 10001- | |
| 3 | 01011-52460 | BOLT | 10001- | |
| 4 | 01643-32460 | WASHER | 10001- | |
| 5 | 385-11092791 | PIN ASS'Y,DRAWBAR | 10001- | |
| 6 | 01011-52460 | BOLT | 10000-10000 | |
| 7 | 01643-32460 | WASHER | 10000-10000 |
