
| Item | Part No. | Part Name | Qty | Serial No. |
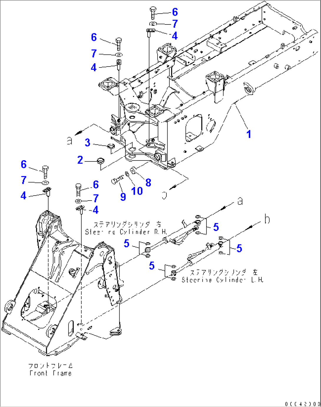
| 1 | 416-975-3253 | FRAME,REAR | 77254- | |
| 1 | \0\416-975-3252 | FRAME,REAR | 75922-77253 | |
| 1 | (\2\416-975-3251) | FRAME,REAR | (75922-75930) | |
| 1 | \0\416-975-3250 | FRAME,REAR | 65001-75921 | |
| 2 | 417-46-22211 | BUSHING | 65001- | |
| 2 | (\2\417-46-22210) | BUSHING | (65001-77412) | |
| 3 | 417-46-22221 | BUSHING | 65001- | |
| 3 | (\2\417-46-22220) | BUSHING | (65001-77412) | |
| 4 | 416-46-32210 | PIN | 65001- | |
| 5 | 205-27-51360 | SHIM, 0.5MM | 65001- | |
| 6 | 01010-81220 | BOLT | 65001- | |
| 7 | 175-54-34170 | WASHER | 65001- | |
| 8 | 416-46-11210 | BUMPER | 65001- | |
| 9 | 01010-81225 | BOLT | 65001- | |
| 10 | 01643-31232 | WASHER | 65001- |
