
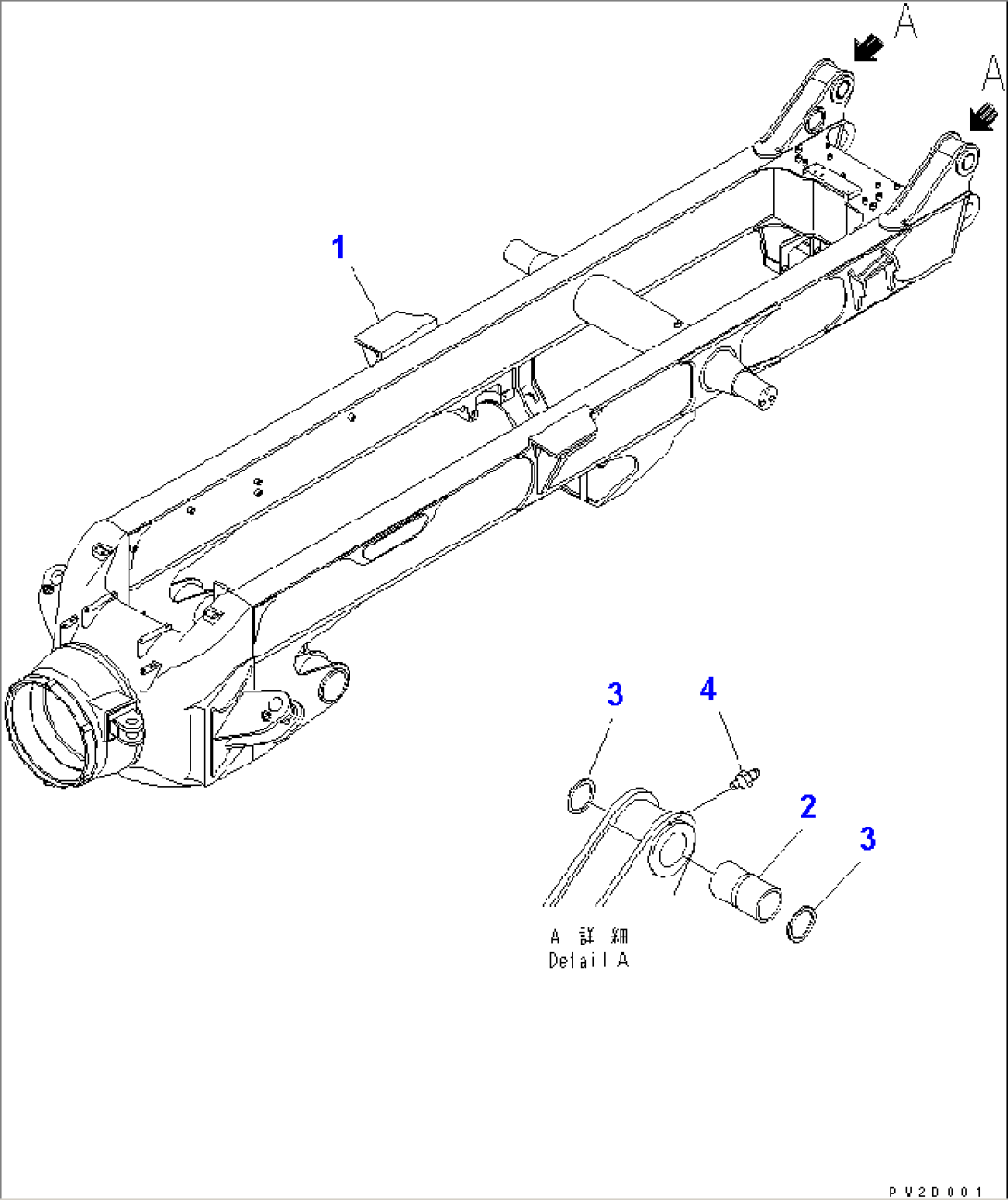
| Item | Part No. | Part Name | Qty | Serial No. |
| 1 | 56D-83-14192 | SEAT ASS'Y | 1494- | |
| 1 | 56D-83-14191 | SEAT ASS'Y | 1001-1493 | |
| 2 | 566-46-42810 | BUSHING | 1001- | |
| 3 | 07145-00060 | SEAL | 1001- | |
| 4 | 07020-00000 | FITTING,GREASE | 1001- |

| Item | Part No. | Part Name | Qty | Serial No. |
| 1 | 56D-83-14192 | SEAT ASS'Y | 1494- | |
| 1 | 56D-83-14191 | SEAT ASS'Y | 1001-1493 | |
| 2 | 566-46-42810 | BUSHING | 1001- | |
| 3 | 07145-00060 | SEAL | 1001- | |
| 4 | 07020-00000 | FITTING,GREASE | 1001- |