
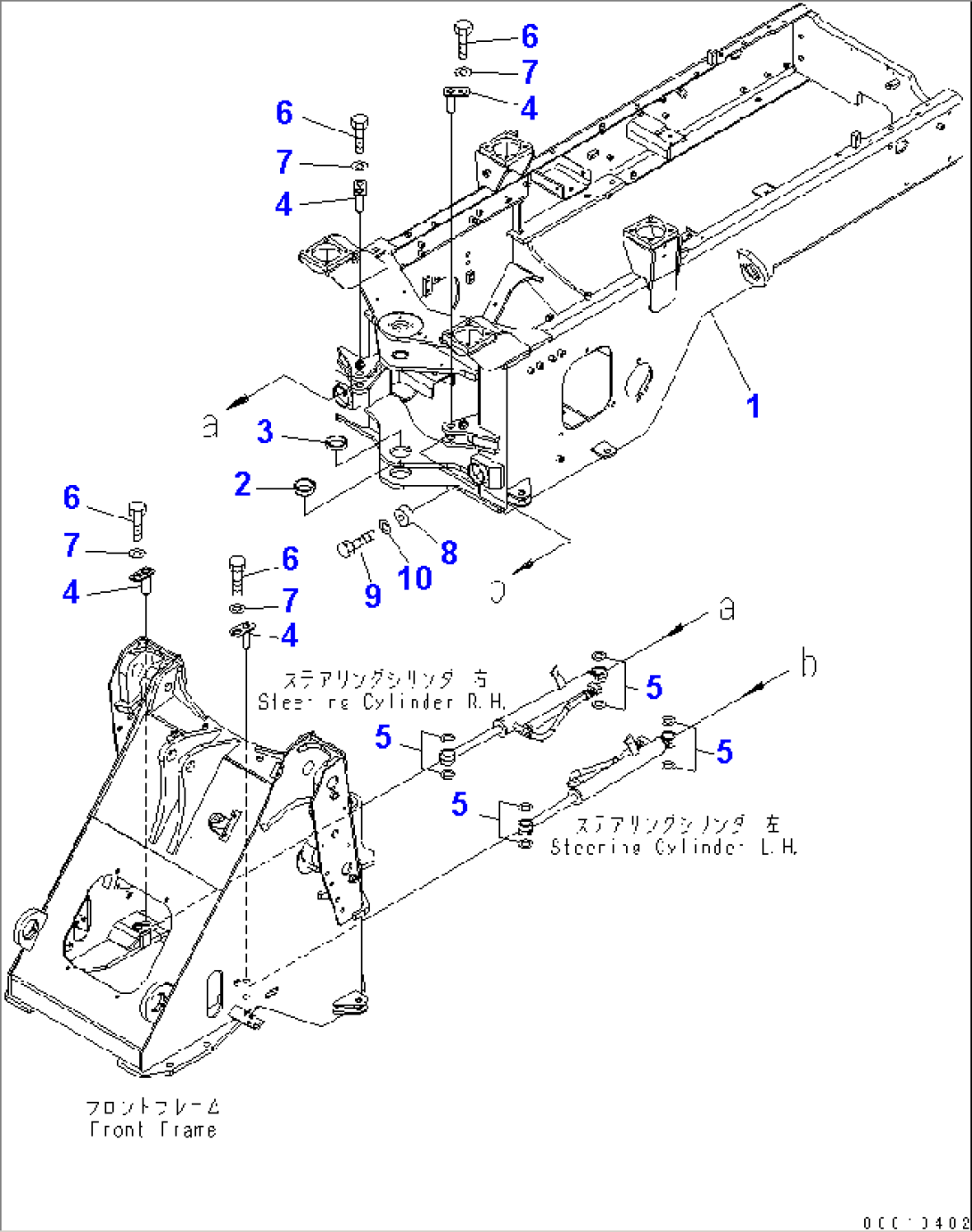
| Item | Part No. | Part Name | Qty | Serial No. |
| 1 | 416-Z97-3490 | FRAME,REAR | 65001- | |
| 2 | 417-46-22210 | BUSHING | 65001- | |
| 3 | 417-46-22220 | BUSHING | 65001- | |
| 4 | 416-46-32210 | PIN | 65001- | |
| 5 | 205-27-51360 | SHIM¤ 0.5MM | 65001- | |
| 6 | 01010-81220 | BOLT | 65001- | |
| 7 | 175-54-34170 | WASHER | 65001- | |
| 8 | 416-46-11210 | BUMPER | 65001- | |
| 9 | 01010-81225 | BOLT | 65001- | |
| 10 | 01643-31232 | WASHER | 65001- |
