
| Item | Part No. | Part Name | Qty | Serial No. | 
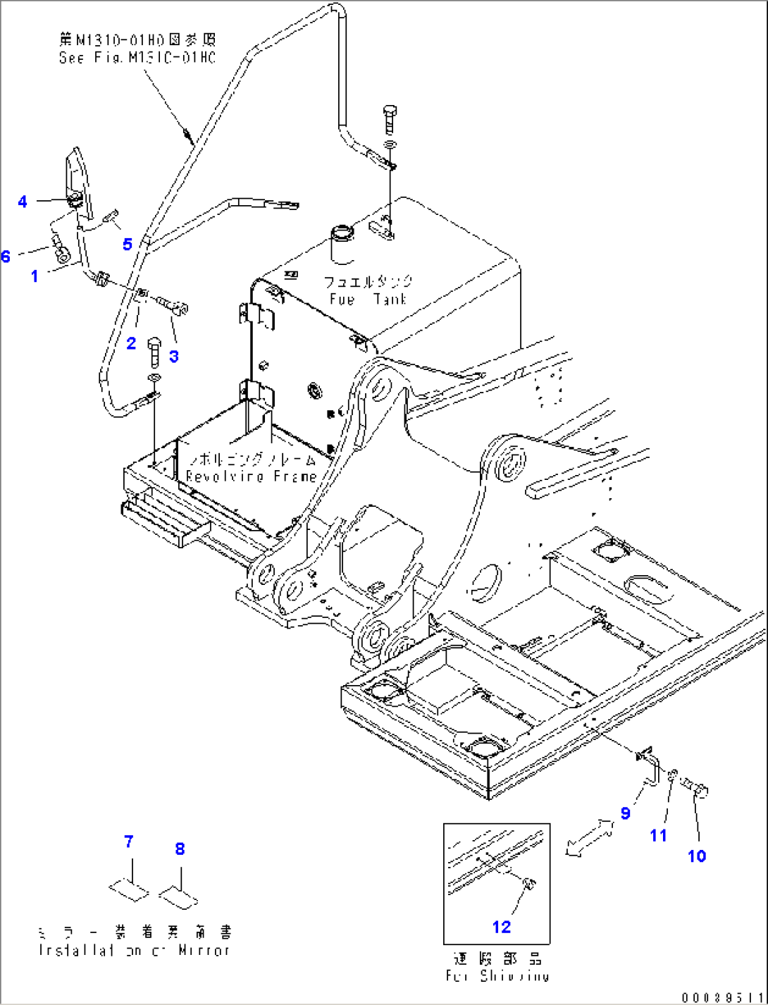
| 1 | 207-54-71840 | SUPPORT | K45001- | |
| 2 | 20Y-54-61630 | CLAMP | K45001- | |
| 3 | 01252-71030 | BOLT | K45001- | |
| 4 | 421-54-25610 | MIRROR | K45001- | |
| 5 | 04025-00632 | PIN,SPRING | K45001- | |
| 6 | 01252-70545 | BOLT | K45001- | |
| 7 | 208-98-71151 | PLATE | K45015- | |
| 209-98-77220 | PLATE | K45001-K45014 | ||
| 8 | 207-54-71863 | PLATE | K45001-K45014 | |
| 9 | 207-54-66120 | GRIP | K45001- | |
| 10 | 01010-81225 | BOLT | K45001- | |
| 11 | 01643-31232 | WASHER | K45001- | |
| 12 | 07049-01215 | PLUG | K45001- | 
