
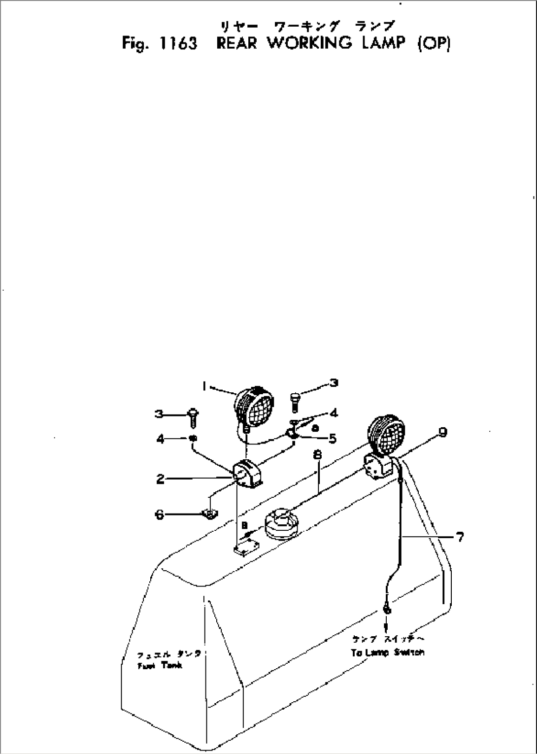
| Item | Part No. | Part Name | Qty | Serial No. |
| 1 | 08128-02400 | HEAD LAMP ASS'Y | 20006- | |
| 08113-02480 | BULB¤ 80W | 20006- | ||
| 2 | 144-998-1230 | BRACKET | 20006- | |
| 3 | 01040-31020 | BOLT | 20006- | |
| 4 | 01602-01030 | WASHER | 20006- | |
| 5 | 08036-10814 | CLIP | 20006- | |
| 6 | 175-822-6980 | WASHER | 20006- | |
| 7 | 144-850-1110 | WIRE ASS'Y | 20006- | |
| 8 | 144-850-1120 | WIRE ASS'Y | 20006- | |
| 9 | 144-850-1130 | WIRE ASS'Y | 20006- |
