
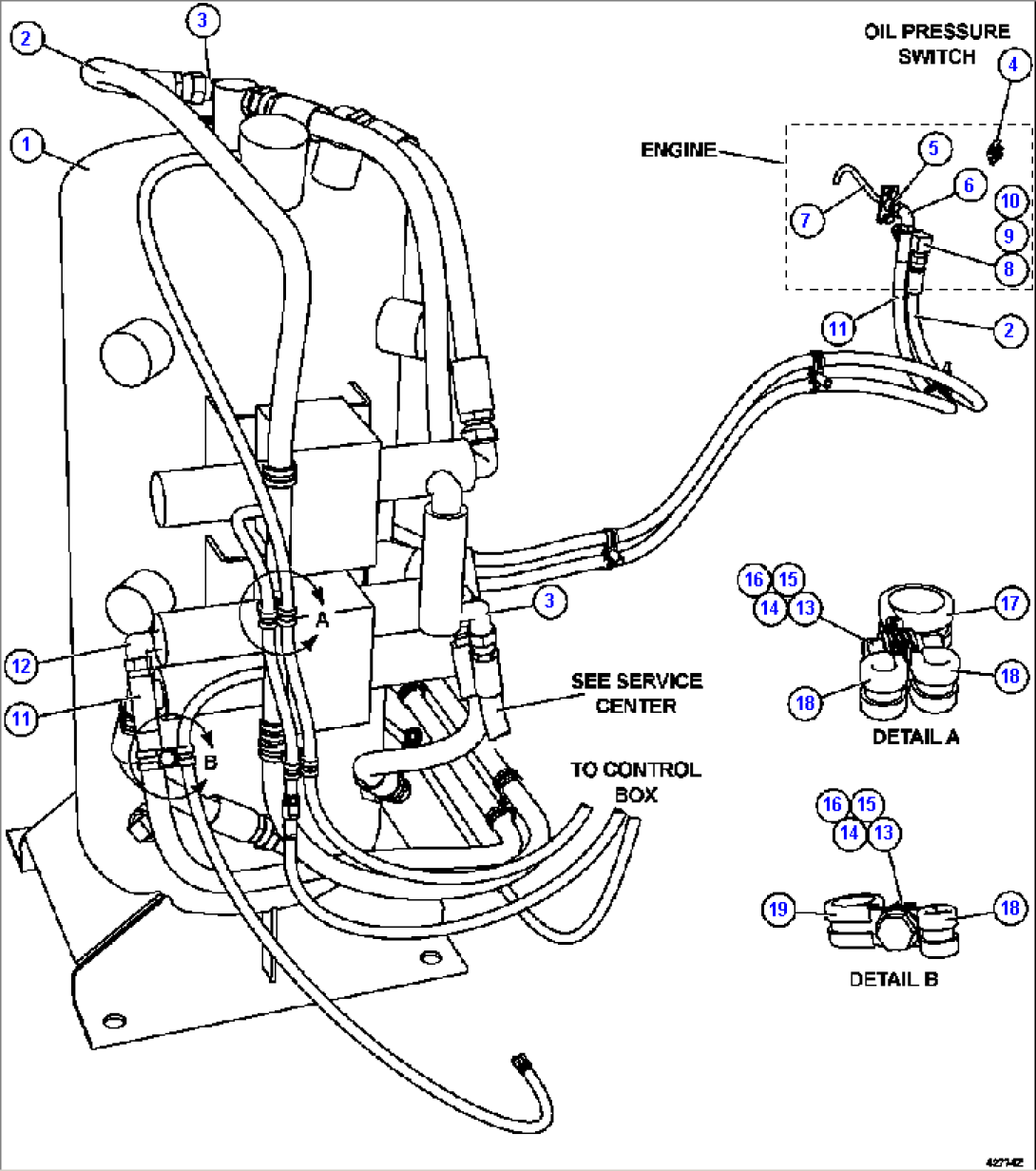
| Item | Part No. | Part Name | Qty | Serial No. |
| 1 | PC2799 | RESERVE SYSTEM KIT (SEE INDEX) | ||
| 2 | HA7814 | HOSE | ||
| 3 | WB0267 | FITTING, 90 DEGREE ELBOW | ||
| 4 | SG3290 | SWITCH, PRESSURE | ||
| 5 | WB0467 | FITTING, STRAIGHT | ||
| 6 | WB0653 | FITTING, 45 DEGREE ELBOW | ||
| 7 | PC1918 | TUBE, WITHDRAWAL | ||
| 8 | PC1262 | FITTING, STRAIGHT | ||
| 9 | WA4896 | FITTING, STRAIGHT | ||
| 10 | WB0369 | FITTING, 45 DEGREE ELBOW | ||
| 11 | HA7813 | HOSE | ||
| 12 | WB0266 | FITTING, 90 DEGREE ELBOW | ||
| 13 | MM0605 | CAPSCREW - M10 X 1.50 X 25 | ||
| 14 | MM0461 | FLAT WASHER - M10 | ||
| 15 | MM0471 | LOCKWASHER - M10 | ||
| 16 | MM0178 | NUT - M10 X 1.50 | ||
| 17 | WB3093 | CLAMP, CUSHION - 1" | ||
| 18 | WB3098 | CLAMP, CUSHION - 3/8" | ||
| 19 | WB3092 | CLAMP, CUSHION - 7/8" |
