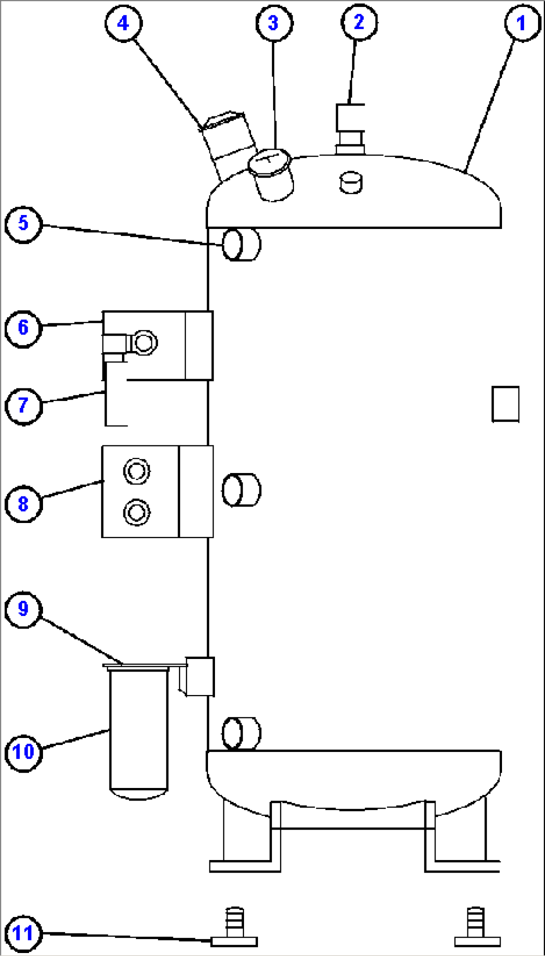
| Item | Part No. | Part Name | Qty | Serial No. |
| 1 | XA0001 | TANK, VERTICAL (60 GALLON) | | |
| 2 | XA0003 | VALVE, AIR RELIEF | | |
| 3 | BF3351 | CAP, FILLER | | |
| 4 | BF3360 | SWITCH, FLOAT | | |
| 5 | BF3352 | GLASS, SIGHT | | |
| 6 | BF3357 | VALVE, FILL | | |
| 7 | XA0002 | SCREEN, IN-LINE | | |
| 8 | BF3347 | PUMP | | |
| 9 | BF3349 | HEAD, FILTER | | |
| 10 | VS7035 | ELEMENT, FILTER (SPIN-ON) | | |
| 11 | | PAD, WELD-ON MOUNTING (NOT SERVICED SEPARATELY) | | |
| NS|12 | | NOTE: NS = NOT SHOWN | | |
| NS|13 | BF3361 | BOX, AUTOMATIC TANK FILL CONTROL | | |
| NS|14 | PC0915 | KIT, ENGINE ADAPTATION | | |
| NS|15 | BF3354 | SWITCH, OIL PRESSURE | | |
| NS|16 | XA0005 | CABLES, ELECTRIC | | |
| NS|17 | BF5020 | LED, RED (6 VOLT) | | |
| NS|18 | XA0012 | ELEMENT, FILTER (PAPER) | | |
| NS|19 | XA0013 | O-RING | | |