
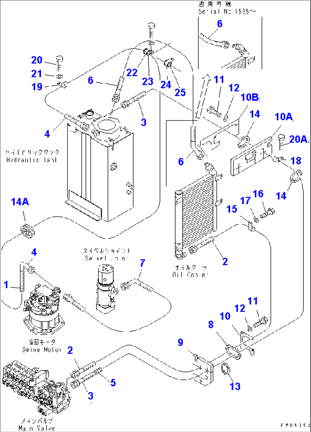
| Item | Part No. | Part Name | Qty | Serial No. |
| 1 | 208-62-18350 | COVER | 1001-1283 | |
| 2 | 22F-62-11820 | HOSE | 1001-@ | |
| 3 | 22F-62-11830 | HOSE | 1001-@ | |
| 4 | 22F-62-12340 | HOSE | 1001-@ | |
| 5 | 20T-62-78260 | COVER | 1001-@ | |
| 6 | 22F-62-11661 | HOSE | 1585-@ | |
| 6 | 22F-62-11660 | HOSE | 1001-1584 | |
| 7 | 22F-62-12970 | HOSE ASS'Y | 1001-@ | |
| 8 | 20T-62-71790 | GROMMET | 1001-@ | |
| 9 | 22F-62-12380 | SHEET | 1001-@ | |
| 10 | 22F-62-12370 | PLATE | 1001-@ | |
| 10A | 22F-62-12830 | SHEET | 1001-@ | |
| 10B | 22F-62-12840 | PLATE | 1001-@ | |
| 11 | 01010-81020 | BOLT | 1001-@ | |
| 12 | 01643-31032 | WASHER | 1001-@ | |
| 13 | 20T-62-81140 | GROMMET | 1001-@ | |
| 14 | 20T-62-81190 | GROMMET | 1001-@ | |
| 14A | 22F-62-12450 | GROMMET | 1001-@ | |
| 15 | 04434-53411 | CLIP | 1001-@ | |
| 16 | 01010-81020 | BOLT | 1001-@ | |
| 17 | 01643-31032 | WASHER | 1001-@ | |
| 18 | 04434-52511 | CLIP | 1369-@ | |
| 18 | 04434-52511 | CLIP | 1001-1368 | |
| 19 | 04434-51810 | CLIP | 1369-@ | |
| 19 | 04434-51610 | CLIP | 1001-1368 | |
| 20 | 01010-81020 | BOLT | 1001-@ | |
| 20A | 01010-81025 | BOLT | 1001-@ | |
| 21 | 01643-31032 | WASHER | 1001-@ | |
| 22 | 04434-52711 | CLIP | 1369-@ | |
| 23 | 20U-62-23250 | CUSHION | 1369-@ | |
| 24 | 04434-53211 | CLIP | 1369-@ | |
| 25 | 07095-20523 | CUSHION | 1369-@ |
