
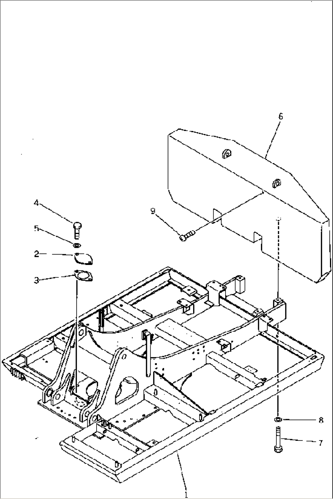
| Item | Part No. | Part Name | Qty | Serial No. |
| 1 | 205-966-4681 | FRAME,REVOLVING | 10007- | |
| \0\205-966-4680 | FRAME,REVOLVING | 10001-10006 | ||
| 2 | 205-30-71181 | COVER | 10001- | |
| 3 | 205-30-71191 | GASKET | 10001- | |
| 4 | 01010-51230 | BOLT | 10001- | |
| 5 | 01643-31232 | WASHER | 10001- | |
| 6 | 205-966-4911 | WEIGHT,COUNTER | 10019- | |
| \0\205-966-4910 | WEIGHT,COUNTER | 10008-10018 | ||
| \0\205-46-72112 | WEIGHT,COUNTER | 10001-10007 | ||
| 7 | 202-09-11110 | BOLT | 10013- | |
| \0\203-09-21110 | BOLT | 10001-10012 | ||
| 8 | 01643-32460 | WASHER | 10001- | |
| 9 | 01370-00508 | SCREW | 10118- |
