
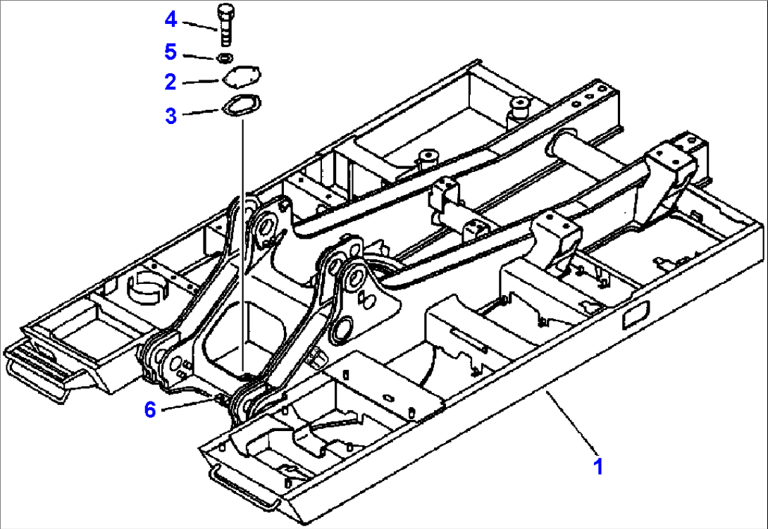
Item | Part No. | Part Name | Qty | Serial No. |
1 | 209-46-61360 | FRAME | ||
2 | 209-46-12231 | COVER | ||
3 | 209-46-12242 | GASKET | ||
4 | 01010-51235 | BOLT | ||
5 | 01643-31232 | WASHER | ||
6 | 09690-M0063 | PLATE, MARK |
Item | Part No. | Part Name | Qty | Serial No. |
1 | 209-46-61360 | FRAME | ||
2 | 209-46-12231 | COVER | ||
3 | 209-46-12242 | GASKET | ||
4 | 01010-51235 | BOLT | ||
5 | 01643-31232 | WASHER | ||
6 | 09690-M0063 | PLATE, MARK |