
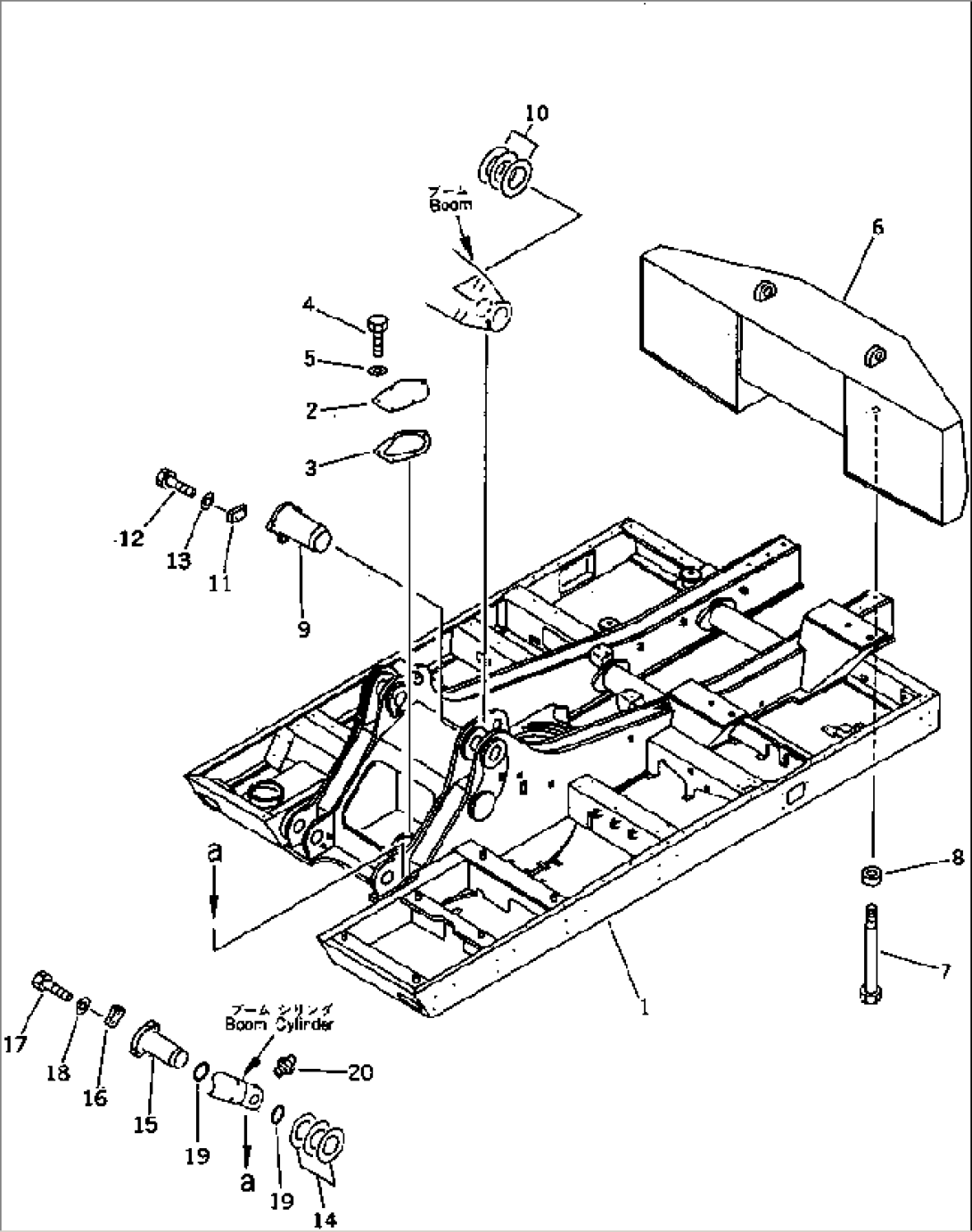
| Item | Part No. | Part Name | Qty | Serial No. |
| 1 | 209-46-51111 | FRAME,REVOLVING | 10596-10719 | |
| 209-46-51110 | FRAME,REVOLVING | 10501-10595 | ||
| 2 | 209-46-12230 | COVER | 10501-@ | |
| 3 | 209-46-12240 | GASKET | 10501-@ | |
| 4 | 01010-51225 | BOLT | 10501-@ | |
| 5 | 01643-31232 | WASHER | 10501-@ | |
| 6 | 209-46-51180 | WEIGHT | 10501-@ | |
| 7 | 209-46-51190 | BOLT | 10501-@ | |
| 8 | 209-46-11210 | SPACER | 10501-@ | |
| 9 | 209-72-11171 | PIN | 10596-@ | |
| 209-72-11170 | PIN | 10501-10595 | ||
| 10 | 209-72-00010 | SHIM ASS'Y | 10501-@ | |
| \6\ | SHIM¤ 1.0MM | 10501-@ | ||
| \6\ | SHIM¤ 1.5MM | 10501-@ | ||
| 11 | 207-70-31230 | PLATE | 10596-@ | |
| 207-70-11230 | PLATE | 10501-10595 | ||
| 12 | 01010-51640 | BOLT | 10501-@ | |
| 13 | 01643-31645 | WASHER | 10501-@ | |
| 14 | 209-72-00030 | SHIM ASS'Y | 10501-@ | |
| \6\ | SHIM¤ 1.0MM | 10501-@ | ||
| \6\ | SHIM¤ 1.5MM | 10501-@ | ||
| 15 | 209-72-51160 | PIN | 10501-@ | |
| 16 | 207-70-11230 | PLATE | 10501-@ | |
| 17 | 01010-51640 | BOLT | 10501-@ | |
| 18 | 01643-31645 | WASHER | 10501-@ | |
| 19 | 07000-12130 | O-RING | 10501-@ | |
| 20 | 07020-00000 | FITTING,GREASE | 10501-@ |
