
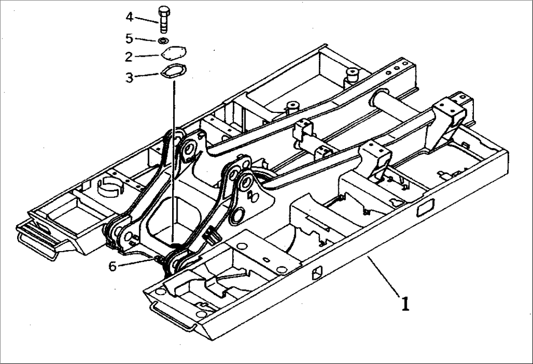
| Item | Part No. | Part Name | Qty | Serial No. |
| 1 | 209-46-61212 | FRAME | 20214- | |
| 1 | 209-46-61211 | FRAME | 20164-20213 | |
| 2 | 209-46-12231 | COVER | 20058- | |
| 3 | 209-46-12242 | GASKET | 20058- | |
| 4 | 01010-51235 | BOLT | 20058- | |
| 5 | 01643-31232 | WASHER | 20001- | |
| 6 | 09690-M0063 | PLATE, MARK | 20060- |

| Item | Part No. | Part Name | Qty | Serial No. |
| 1 | 209-46-61212 | FRAME | 20214- | |
| 1 | 209-46-61211 | FRAME | 20164-20213 | |
| 2 | 209-46-12231 | COVER | 20058- | |
| 3 | 209-46-12242 | GASKET | 20058- | |
| 4 | 01010-51235 | BOLT | 20058- | |
| 5 | 01643-31232 | WASHER | 20001- | |
| 6 | 09690-M0063 | PLATE, MARK | 20060- |