
| Item | Part No. | Part Name | Qty | Serial No. |
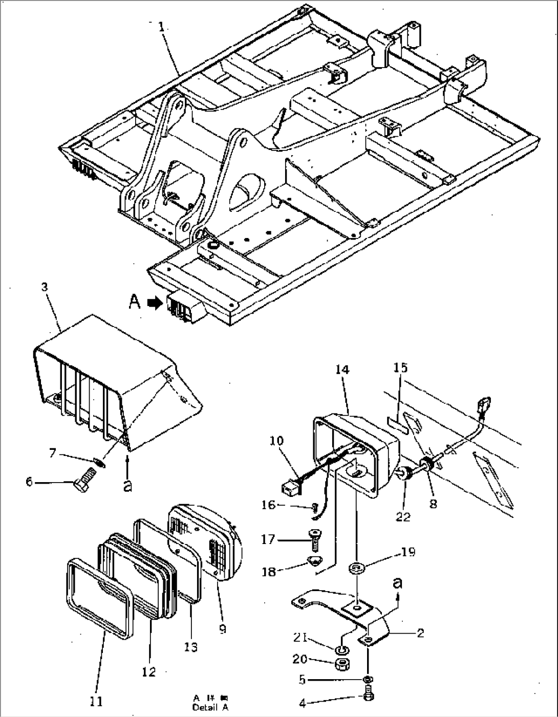
| 1 | 205-46-73111 | FRAME | 26574- | |
| 1 | 205-46-73110 | FRAME | 20001-26573 | |
| 2 | 205-06-71810 | PLATE | 20001- | |
| 3 | 205-06-71820 | COVER | 20001- | |
| 4 | 01010-51225 | BOLT | 20001- | |
| 5 | 01643-31232 | WASHER | 20001- | |
| 6 | 01010-51220 | BOLT | 20001- | |
| 7 | 01643-31232 | WASHER | 20001- | |
| 8 | 08037-02512 | GROMMET | 20001- | |
| 22W-06-12381 | LAMP ASS'Y | 20001- | ||
| 9 | 22W-06-12170 | BULB | 20001- | |
| 10 | 22W-06-12180 | WIRE ASS'Y | 20001- | |
| 11 | 22W-06-12120 | RING | 20001- | |
| 12 | 22W-06-12290 | CUSHION | 20001- | |
| 13 | 22W-06-12130 | RING | 20001- | |
| 14 | 22W-06-12280 | HOUSING | 20001- | |
| 15 | 22W-06-12190 | PLATE, NAME,NAME | 20001- | |
| 16 | 04418-03060 | SCREW | 20001- | |
| 17 | 22W-06-12140 | BOLT | 20001- | |
| 18 | 22W-06-12150 | WASHER | 20001- | |
| 19 | 22W-06-12160 | SEAT | 20001- | |
| 20 | 01582-11411 | NUT | 20001- | |
| 21 | 01602-21442 | WASHER,SPRING | 20001- | |
| 22 | 09415-01008 | CAP | 20001- |
