
| Item | Part No. | Part Name | Qty | Serial No. |
| G-1 | (\8\21N-956-X100) | FOPS GROUP | 10001- | |
| ==================== | ||||
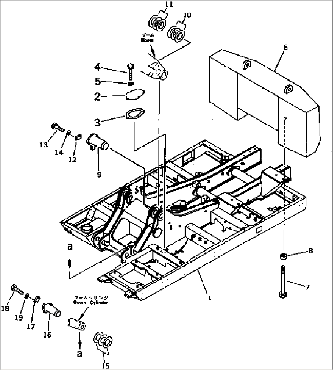
| 1 | 21N-46-11151 | FRAME | 10246- | |
| 1 | \0\21N-46-11150 | FRAME | 10001-10245 | |
| ==================== | ||||
| 2 | 209-46-12231 | COVER | 10262- | |
| 2 | 209-46-12230 | COVER | 10001-10261 | |
| 3 | 209-46-12242 | GASKET | 10262- | |
| 3 | \0\209-46-12240 | GASKET | 10001-10261 | |
| 4 | 01010-51235 | BOLT | 10262- | |
| 4 | 01010-51225 | BOLT | 10001-10261 | |
| 5 | 01643-31232 | WASHER | 10001- | |
| 6 | 21N-46-12120 | WEIGHT,(FOR JAPAN) | 10372- | |
| 6 | 21N-46-12110 | WEIGHT,(FOR JAPAN) | 10001-10371 | |
| 6 | 21N-46-12110 | WEIGHT,(EXCEPT JAPAN) | 10001- | |
| 7 | 209-46-51190 | BOLT | 10001- | |
| 8 | 209-46-11210 | SPACER | 10001- | |
| 9 | 21N-72-11141 | PIN | 10012- | |
| 10 | 21N-72-11210 | SHIM, 1.0MM | 10001- | |
| 11 | 21N-72-11220 | SHIM, 1.5MM | 10001- | |
| 12 | 21N-70-11210 | PLATE | 10012- | |
| 13 | 01010-52455 | BOLT | 10012- | |
| 14 | 01643-32460 | WASHER | 10012- | |
| 15 | 21N-72-11230 | SHIM, 1.0MM | 10001- | |
| 16 | 21N-72-11152 | PIN | 10012- | |
| 17 | 21N-70-11230 | PLATE | 10012- | |
| 18 | 01010-51640 | BOLT | 10001- | |
| 19 | 01643-31645 | WASHER | 10001- |
