
| Item | Part No. | Part Name | Qty | Serial No. |
| (144-921-3102) | HYDRAULIC TANK ASS'Y | 45570- | ||
| \0\144-921-3101 | HYDRAULIC TANK ASS'Y | 45001-45569 | ||
| (144-78-14201) | HYDRAULIC TANK ASS'Y | 45001- | ||
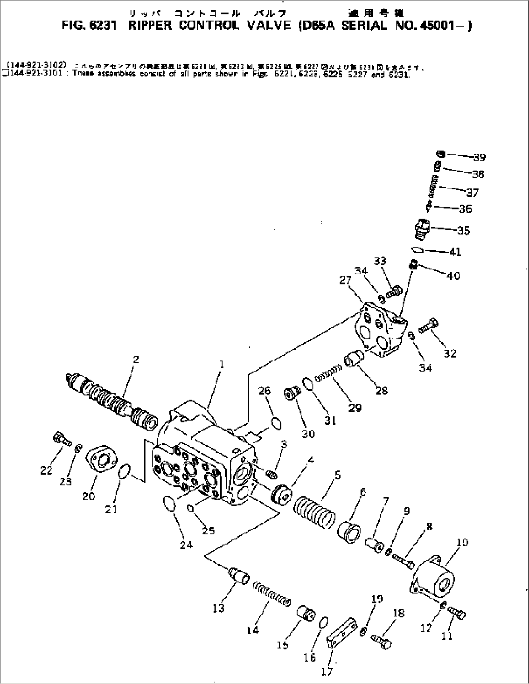
| 701-31-12005 | CONTROL VALVE ASS'Y | 45001- | ||
| 701-31-32004 | VALVE BODY ASS'Y | 45001- | ||
| 1 | \6\ | BODY,VALVE | 45001- | |
| 2 | \6\ | SPOOL | 45001- | |
| 3 | 07043-00312 | PLUG,TAPER | 45001- | |
| 4 | 701-33-31380 | RETAINER | 45001- | |
| 5 | 701-31-31130 | SPRING | 45001- | |
| 6 | 701-31-32210 | RETAINER | 45001- | |
| 7 | 701-31-32220 | SLEEVE | 45001- | |
| 8 | 01010-31260 | BOLT | 45001- | |
| 9 | 01602-01236 | WASHER,SPRING | 45001- | |
| 10 | 701-33-31221 | CASE | 45001- | |
| 11 | 01010-31030 | BOLT | 45001- | |
| 12 | 01602-01030 | WASHER,SPRING | 45001- | |
| 13 | 701-33-31120 | VALVE | 45001- | |
| 14 | 701-33-31130 | SPRING | 45001- | |
| 15 | 701-33-31150 | SEAT | 45001- | |
| 16 | 07000-13035 | O-RING | 45001- | |
| 17 | 701-33-31160 | PLATE | 45001- | |
| 18 | 01010-31235 | BOLT | 45001- | |
| 19 | 01602-01236 | WASHER,SPRING | 45001- | |
| 20 | 701-33-31360 | PLATE | 45001- | |
| 21 | 07000-13040 | O-RING | 45001- | |
| 22 | 01010-31440 | BOLT | 45001- | |
| 23 | 01602-01442 | WASHER,SPRING | 45001- | |
| 24 | 07000-13045 | O-RING | 45001- | |
| 25 | 07000-02015 | O-RING | 45001- | |
| 26 | 07000-13030 | O-RING | 45001- | |
| 701-30-64005 | VALVE ASS'Y | 45001- | ||
| 27 | 701-30-66213 | HOUSING | 45001- | |
| 28 | 701-30-67121 | VALVE,SUCTION | 45001- | |
| 29 | 701-21-31130 | SPRING | 45001- | |
| 30 | 701-30-67160 | PLUG | 45001- | |
| 31 | 07002-13634 | O-RING | 45001- | |
| 32 | 01011-31210 | BOLT | 45001- | |
| 33 | 01010-31245 | BOLT | 45001- | |
| 34 | 01602-01236 | WASHER,SPRING | 45001- | |
| 701-30-00080 | VALVE ASS'Y | 45001- | ||
| 35 | \6\ | BODY | 45001- | |
| 36 | \6\ | POPPET | 45001- | |
| 37 | \6\ | SPRING | 45001- | |
| 38 | \6\ | PLUG | 45001- | |
| 39 | \6\ | NUT | 45001- | |
| 40 | \6\ | SEAT | 45001- | |
| 41 | 07002-13034 | O-RING | 45001- |
