
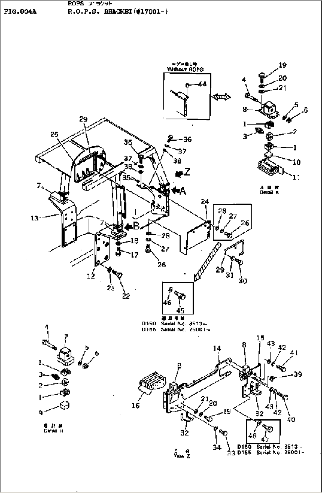
| Item | Part No. | Part Name | Qty | Serial No. |
| 1 | 195-978-2181 | RUBBER | 13049- | |
| 2 | 195-978-2190 | BLOCK | 13049- | |
| 3 | 195-978-2210 | COLLAR | 13049- | |
| 4 | 195-978-2220 | BOLT | 13049- | |
| 5 | 01643-32780 | WASHER | 13049- | |
| 6 | 01580-02722 | NUT | 13049- | |
| 7 | 195-978-2130 | BRACKET,L.H. | 13049- | |
| 195-978-2140 | BRACKET,R.H. | 13049- | ||
| 8 | 195-978-1550 | BRACKET | 25001- | |
| 195-978-2150 | BRACKET | 13049-25000 | ||
| 9 | 195-978-2160 | PLATE | 13049- | |
| 10 | 195-978-1560 | PLATE | 25001- | |
| 195-978-2170 | PLATE | 13049-25000 | ||
| 11 | 175-978-0010 | SHIM ASS'Y | 13049- | |
| \6\ | SHIM¤ 1.0MM | 13049- | ||
| \6\ | SHIM¤ 0.5MM | 13049- | ||
| 12 | 175-978-1174 | PLATE | 17001- | |
| 13 | 175-978-1184 | PLATE | 17001- | |
| 14 | 175-978-1291 | GUARD | 25001- | |
| 175-978-1290 | GUARD | 17001-25000 | ||
| 175-902-8271 | GUARD,(WITH CAB GUARD) | 25001- | ||
| 15 | 175-978-1311 | GUARD | 25001- | |
| 175-978-1310 | GUARD | 17001-25000 | ||
| 16 | 175-978-1232 | SHIM | 17001- | |
| 17 | 01011-63025 | BOLT | 17001- | |
| 18 | 01643-33080 | WASHER | 13049- | |
| 19 | 01010-82460 | BOLT | 25001- | |
| 175-978-3540 | BOLT | 13049-25000 | ||
| 20 | 01602-02472 | WASHER,SPRING | 13049-25000 | |
| 21 | 01643-32460 | WASHER | 25001- | |
| 01643-32460 | WASHER | 13049-25000 | ||
| 22 | 01011-63010 | BOLT | 17001- | |
| 23 | 01643-33080 | WASHER | 17001- | |
| 24 | 175-978-1154 | GUARD | 25001- | |
| 175-978-1152 | GUARD | 17001-25000 | ||
| 25 | 175-978-1162 | GUARD | 25001- | |
| 175-978-1161 | GUARD | 13049-25000 | ||
| 175-902-7261 | GUARD,(WITH CAB GUARD) | 25001- | ||
| 175-902-7260 | GUARD,(WITH CAB GUARD) | 15001-25000 | ||
| 26 | 01010-81640 | BOLT | 25001- | |
| 01010-81640 | BOLT | 13049-25000 | ||
| 27 | 01602-01648 | WASHER,SPRING | 13049-25000 | |
| 28 | 01643-31645 | WASHER | 25001- | |
| 01643-31645 | WASHER | 13049-25000 | ||
| 29 | 175-978-1270 | HANDLE | 13049- | |
| 30 | 01010-31230 | BOLT | 17001- | |
| 31 | 01602-01236 | WASHER | 17001- | |
| 32 | 175-54-22562 | HANDLE | 13049-25000 | |
| 33 | 01010-51635 | BOLT | 25001- | |
| 01010-31860 | BOLT | 17001-25000 | ||
| 34 | 01643-31645 | WASHER,SPRING | 25001- | |
| 01602-01854 | WASHER,SPRING | 17001-25000 | ||
| 35 | 175-978-2140 | COVER | 13049-25000 | |
| 36 | 01010-31235 | BOLT | 17001-25000 | |
| 37 | 01602-01236 | WASHER | 13049-25000 | |
| 38 | 01643-31232 | WASHER | 13049-25000 | |
| 39 | 08037-03620 | GROMMET | 13049-17000 | |
| 40 | 01010-83075 | BOLT | 25001- | |
| 01011-62430 | BOLT | 17001-25000 | ||
| 41 | 01011-83015 | BOLT | 25001- | |
| 01010-62460 | BOLT | 17001-25000 | ||
| 42 | 01602-02472 | WASHER,SPRING | 17001-25000 | |
| 43 | 01643-33080 | WASHER | 25001- | |
| 01643-32460 | WASHER | 17001-25000 | ||
| 44 | 07049-02430 | PLUG | 15004- | |
| 45 | 01010-82045 | BOLT | 25001- | |
| 46 | 01643-32060 | WASHER | 25001- | |
| 47 | 01010-82470 | BOLT | 25001- | |
| 48 | 01643-32460 | WASHER | 25001- |
