
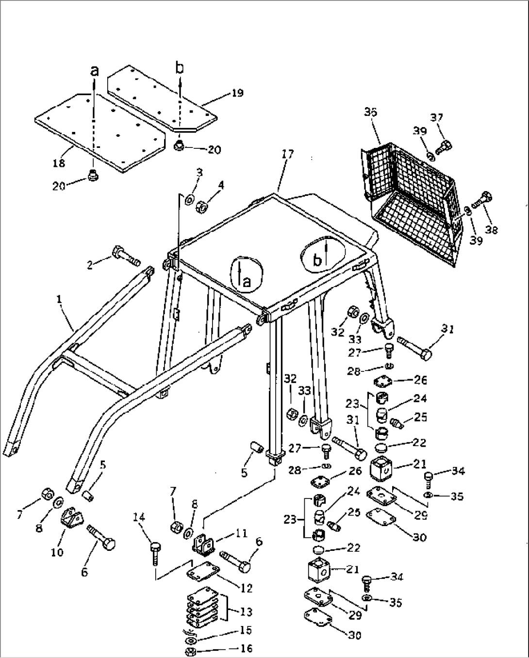
| Item | Part No. | Part Name | Qty | Serial No. |
| 1 | 144-978-8561 | SWEEP | 45001- | |
| 2 | 01010-53090 | BOLT | 45001- | |
| 3 | 01643-33080 | WASHER | 45001- | |
| 4 | 01580-13024 | NUT | 45001- | |
| 5 | 195-978-1311 | ISOLATOR | 45001- | |
| 6 | 141-978-2150 | BOLT | 45001- | |
| 7 | 175-978-3210 | NUT | 45001- | |
| 8 | 01643-32780 | WASHER | 45001- | |
| 10 | 144-978-8670 | BRACKET | 45001- | |
| 11 | 145-Z78-1130 | BRACKET | 45001- | |
| 12 | 144-978-8680 | PLATE | 45001- | |
| 13 | 144-978-8690 | PLATE | 45001- | |
| 14 | 01010-51665 | BOLT | 45001- | |
| 15 | 01643-31645 | WASHER | 45001- | |
| 16 | 01580-11613 | NUT | 45001- | |
| 17 | 144-978-8511 | ROPS CANOPY | 45001- | |
| 18 | 144-978-8360 | LINING | 45498- | |
| 18 | 120-Y78-4471 | LINING | 45001-45497 | |
| 19 | 144-978-8370 | COVER | 45498- | |
| 19 | 120-Y78-4481 | LINING | 45001-45497 | |
| 20 | 144-978-8380 | BUTTON | 45498- | |
| 20 | 120-Y78-4550 | BUTTON | 45001-45497 | |
| 21 | 120-Y78-3362 | BRACKET | 45001- | |
| 22 | 120-Y78-3240 | PLATE | 45001- | |
| 23 | 175-978-5180 | RUBBER | 45001- | |
| 24 | 175-978-5160 | BLOCK | 45001- | |
| 25 | 175-978-5170 | COLLAR | 45001- | |
| 26 | 120-Y78-4230 | PLATE | 45001- | |
| 27 | 01010-51230 | BOLT | 45001- | |
| 28 | 01602-21236 | WASHER,SPRING | 45001- | |
| 29 | 144-978-8861 | PLATE, 2.3MM | 45001- | |
| 30 | 144-978-8871 | PLATE, 2.3MM | 45001- | |
| 31 | 175-978-5210 | BOLT | 45001- | |
| 32 | 01580-12722 | NUT | 45001- | |
| 33 | 01643-32780 | WASHER | 45001- | |
| 34 | 01018-32055 | BOLT | 45001- | |
| 35 | 01643-32060 | WASHER | 45001- | |
| 36 | 144-978-8541 | SCREEN | 45001- | |
| 37 | 01010-51235 | BOLT | 45001- | |
| 38 | 01010-51255 | BOLT | 45001- | |
| 39 | 01602-21236 | WASHER,SPRING | 45001- |
