
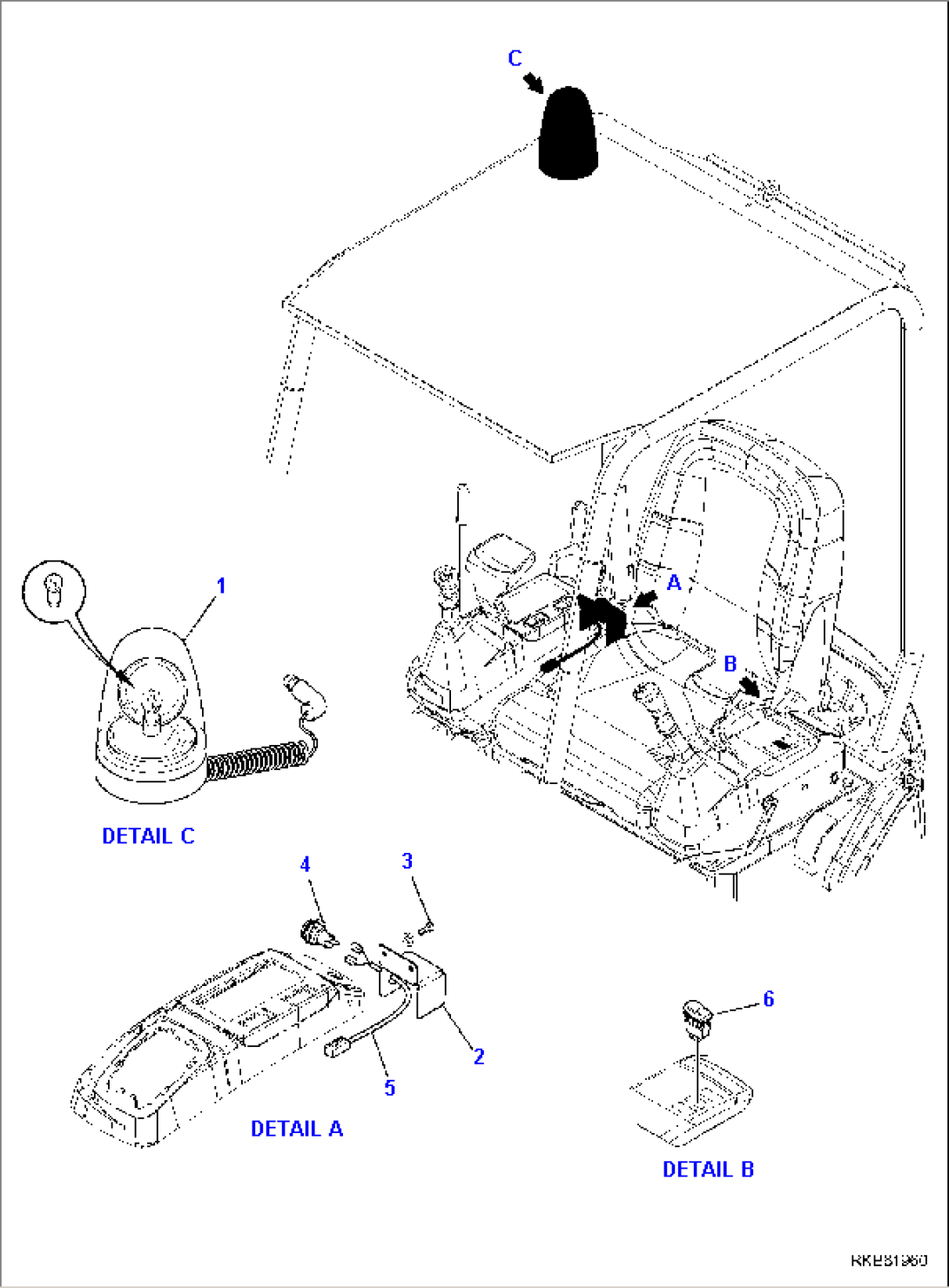
| Item | Part No. | Part Name | Qty | Serial No. |
| 1 | 2A1-06-11360 | XENON ROTARY BEAM | F60003- | |
| 2 | 22L-09-R1P70 | BRACKET | F60003- | |
| 3 | 01252-70618 | BOLT | F60003- | |
| 4 | 42N-54-17360 | ELECTRICAL SOCKET | F60003- | |
| 5 | 22L-09-R1N70 | WIRE HARNESS | F60003- | |
| 6 | 22L-09-R9230 | SWITCH, ROTARY BEAM | F60003-F60157 | |
| 6 | 22L-09-R9231 | SWITCH, ROTARY BEAM | F60158- | |
| 6 | 22L-09-R3Q10 | BULB 30MA 12V | F60003-F60157 | |
| 6 | 22L-09-R3Q30 | BULB 1,2W 12V | F60003-F60157 | |
| 6 | 22L-09-R3Q10 | BULB 30MA 12V | F60158- |
