
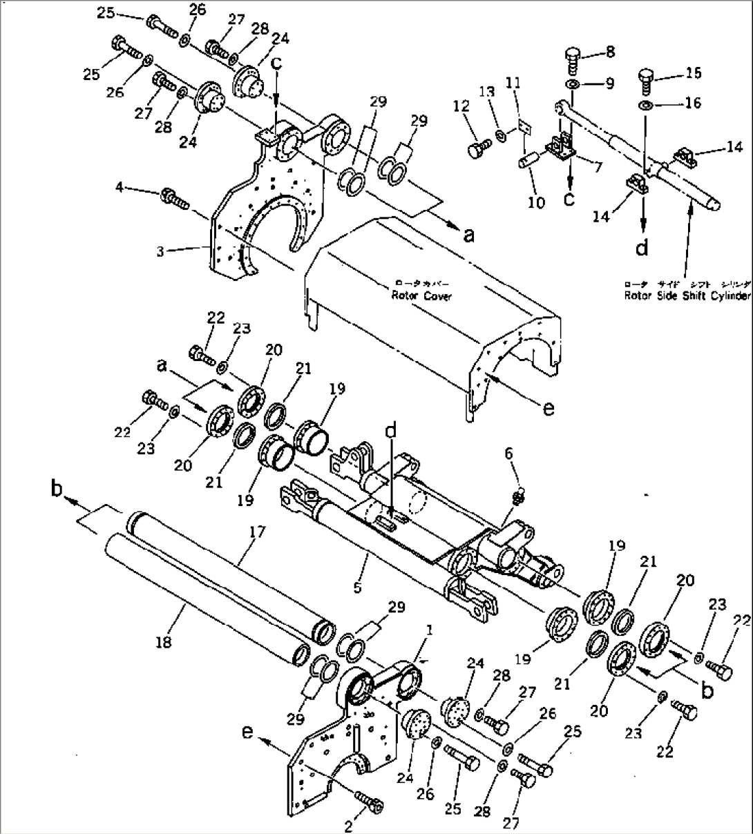
| Item | Part No. | Part Name | Qty | Serial No. |
| 1 | 262-70-56110 | PLATE,L.H. | 10001- | |
| 2 | 01252-41835 | BOLT | 10001- | |
| 3 | 262-70-56122 | PLATE,R.H. | 10009- | |
| 4 | 01252-41835 | BOLT | 10001- | |
| 5 | 262-70-56132 | SUPPORT | 10009- | |
| 6 | 07020-00000 | FITTING,GREASE | 10001- | |
| 7 | 262-70-56360 | BRACKET | 10009- | |
| 8 | 01010-51645 | BOLT | 10009- | |
| 9 | 01643-31645 | WASHER | 10009- | |
| 10 | 262-70-56160 | PIN | 10001- | |
| 11 | 04082-00206 | LOCK | 10001- | |
| 12 | 01010-51230 | BOLT | 10001- | |
| 13 | 01643-31232 | WASHER | 10001- | |
| 14 | 262-70-56370 | BLOCK | 10009- | |
| 15 | 01010-51650 | BOLT | 10009- | |
| 16 | 01643-31645 | WASHER | 10009- | |
| 17 | 262-70-56140 | GUIDE,ROD | 10001- | |
| 18 | 262-70-56270 | GUIDE,ROD | 10006- | |
| 19 | 262-70-56380 | BUSHING | 10027- | |
| 262-70-16130 | BUSHING | 10001-10026 | ||
| 20 | 262-70-16140 | COVER | 10001- | |
| 21 | 262-70-16150 | RING,FELT | 10001- | |
| 22 | 01010-50845 | BOLT | 10001- | |
| 23 | 01643-30823 | WASHER | 10001- | |
| 24 | 262-70-12420 | HOLDER | 10001- | |
| 25 | 01011-51640 | BOLT | 10001- | |
| 26 | 01643-31645 | WASHER | 10001- | |
| 27 | 01010-51655 | BOLT | 10001- | |
| 28 | 01643-31645 | WASHER | 10001- | |
| 29 | 262-70-00021 | SHIM ASS'Y | 10028- | |
| 262-70-00020 | SHIM ASS'Y | 10001-10027 | ||
| 262-70-56180 | SHIM¤ 1.0MM | 10028- | ||
| 262-70-56180 | SHIM¤ 1.0MM | 10001-10027 | ||
| 262-70-56190 | SHIM¤ 0.5MM | 10001- | ||
| 262-70-56210 | SHIM¤ 0.2MM | 10001- |
