
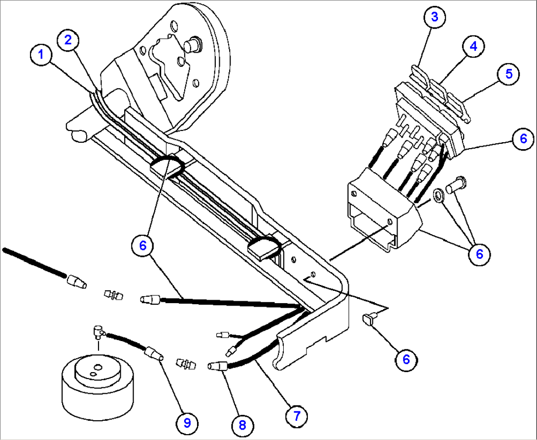
| Item | Part No. | Part Name | Qty | Serial No. |
| 1 | BF0577 | HOSE (3) | ||
| 2 | BF0578 | HOSE (3) | ||
| 3 | COVER (1)/(3) | |||
| 4 | COVER (1)/(3) | |||
| 5 | COVER (1)/(3) | |||
| 6 | VALVE (1)/(2)/(3) | |||
| 6 | SCREW (1)/(2)/(3) | |||
| 6 | WASHER (1)/(2)/(3) | |||
| 6 | HOUSING, VALVE (1)/(2)/(3) | |||
| 6 | NUT (1)/(2)/(3) | |||
| 6 | HOSE (1)/(2)/(3) | |||
| 6 | TIE (1)/(2)/(3) | |||
| 7 | BF0579 | HOSE (3) | ||
| 8 | SLEEVE, PUSH-ON (1)/(3) | |||
| 9 | SLEEVE, PUSH-ON (1)/(3) | |||
| NS|16 | NOTE: (1) NOT SERVICED SEPARATELY. | |||
| NS|17 | BF0430 | (2) INCLUDED IN BF0430 VALVE KIT. | ||
| NS|18 | VE9074 | (3) INCLUDED IN VE9079 VALVE KIT. |
