
| Item | Part No. | Part Name | Qty | Serial No. |
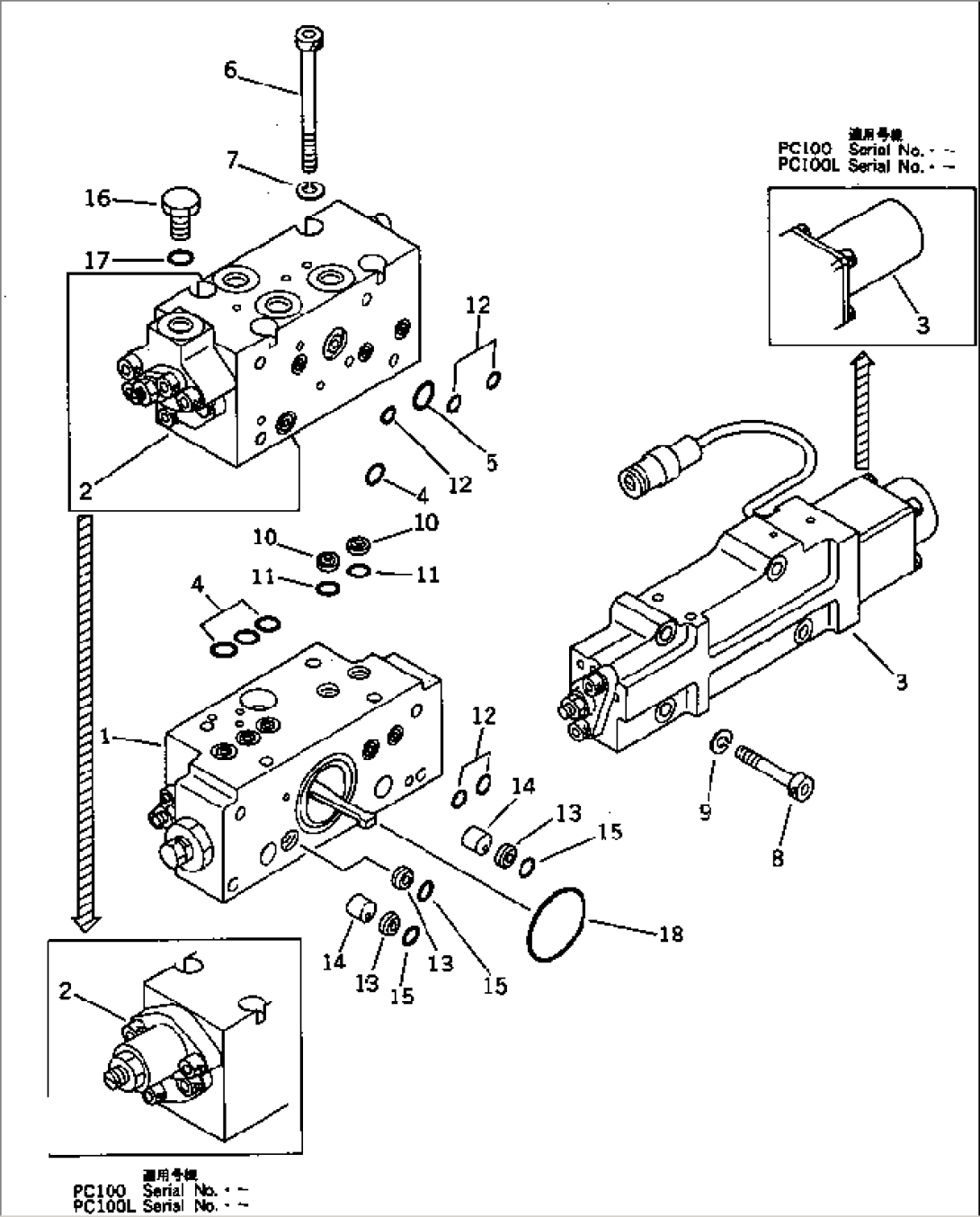
| (708-23-01012) | PUMP ASS'Y (HPV55+55) | 23820- | ||
| (\0\708-23-01011) | PUMP ASS'Y (HPV55+55) | ..-23819 | ||
| (\0\708-23-01010) | PUMP ASS'Y (HPV55+55) | 21655-.. | ||
| (\0\708-23-10101) | PUMP ASS'Y (HPV55+55) | 18001-21654 | ||
| THESE ASSEMBLIES CONSIST OF ALL PARTS SHOWN IN FIGS.6001 TO 6021. | ||||
| 708-23-07111 | SERVO VALVE ASS'Y,FRONT | 23820- | ||
| \0\708-23-07110 | SERVO VALVE ASS'Y,FRONT | ..-23819 | ||
| \0\708-23-15100 | SERVO VALVE ASS'Y,FRONT | 18001-.. | ||
| THESE ASSEMBLIES CONSIST OF ALL PARTS SHOWN IN FIGS.6011 TO 6911. | ||||
| 1 | (708-23-15200) | SERVO VALVE SUB A.,FRONT | 18001- | |
| 2 | (708-23-07511) | VALVE ASS'Y | 23820- | |
| (\0\708-23-07510) | VALVE ASS'Y | ..-23819 | ||
| (\0\708-23-17100) | VALVE ASS'Y | 18001-.. | ||
| 3 | (708-23-07710) | VALVE ASS'Y | 23820- | |
| (\0\708-23-18100) | VALVE ASS'Y | 18001-23819 | ||
| 4 | 07000-02011 | O-RING | 18001- | |
| 5 | 07000-02018 | O-RING | 18001- | |
| 6 | 708-25-19160 | BOLT | 18001- | |
| 7 | 01602-20825 | WASHER,SPRING | 18001- | |
| 8 | 708-25-19130 | BOLT | 18001- | |
| 9 | 01602-20825 | WASHER,SPRING | 18001- | |
| 10 | 720-68-11920 | FILTER | 18001- | |
| 11 | 07000-12010 | O-RING | 18001- | |
| 12 | 07000-11009 | O-RING | 18001- | |
| 13 | 720-68-11920 | FILTER | 18001- | |
| 14 | 708-23-19130 | ORIFICE | 18001- | |
| 15 | 07000-12010 | O-RING | 18001- | |
| 16 | 07040-11409 | PLUG | 18001-. | |
| 17 | 07002-01423 | O-RING | 18001-. | |
| 18 | 07000-03048 | O-RING | 18001- |
