
| Item | Part No. | Part Name | Qty | Serial No. |
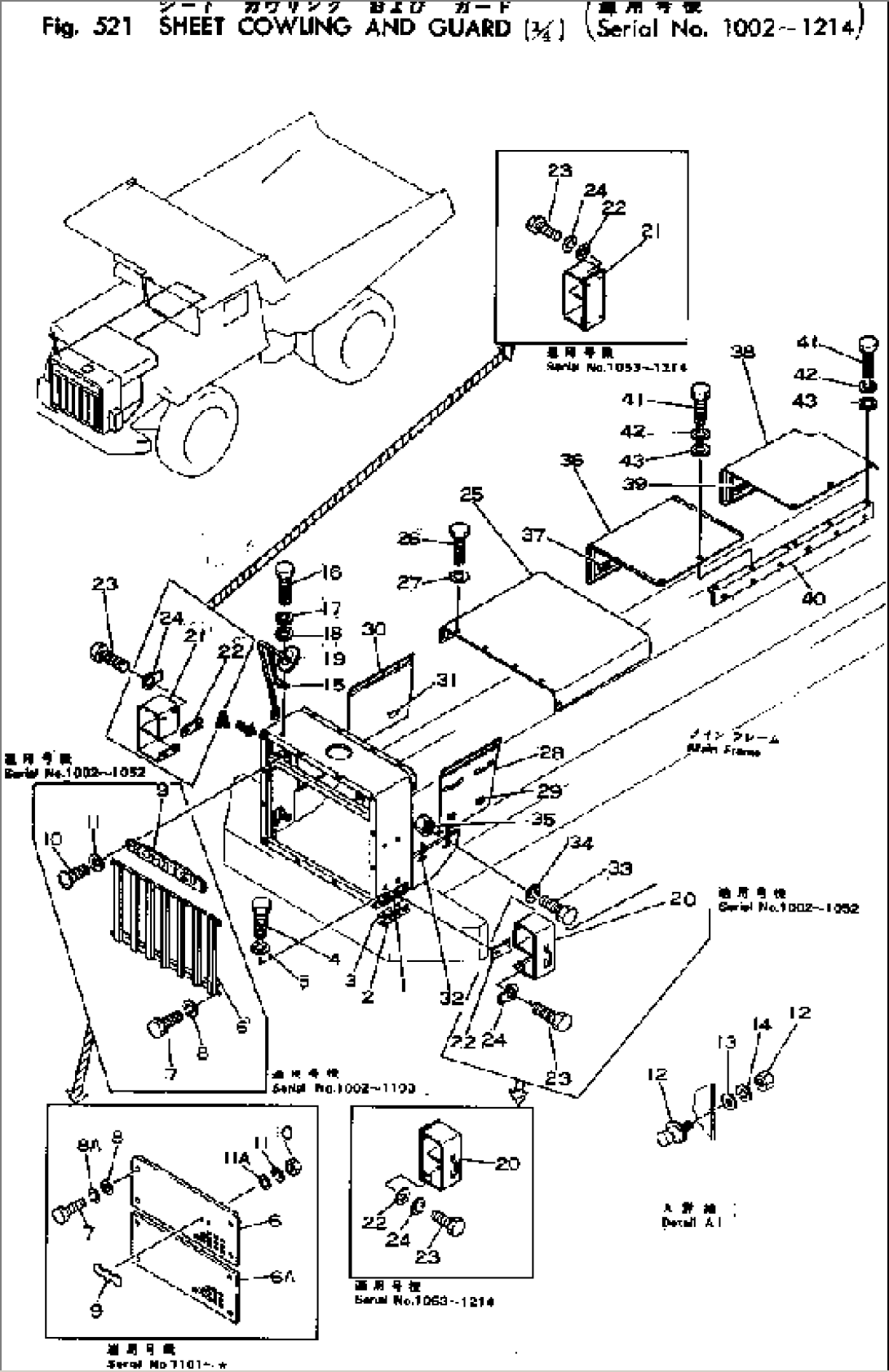
| 1 | 567-54-11112 | GUARD | 1101-1214 | |
| 567-54-11111 | GUARD | 1002-1100 | ||
| 2 | 567-54-11410 | SHIM¤ 1.0MM | 1002-@ | |
| 3 | 567-54-11420 | SHIM¤ 2.3MM | 1002-@ | |
| 4 | 01010-31425 | BOLT | 1002-@ | |
| 5 | 01602-01442 | WASHER | 1002-@ | |
| 6 | 565-54-14410 | GRILLE,UPPER | 1101-1214 | |
| 567-54-11170 | GUARD | 1002-1100 | ||
| 6A | 565-54-14420 | GRILLE,LOWER | 1101-1214 | |
| 7 | 01010-31225 | BOLT | 1101-@ | |
| 01010-31220 | BOLT | 1002-1100 | ||
| 8 | 01602-01236 | WASHER | 1101-@ | |
| 01602-01236 | WASHER | 1002-1100 | ||
| 8A | 01643-31232 | WASHER | 1101-@ | |
| 9 | 565-54-14430 | PLATE¤ MARK | 1101-* | |
| 141-54-31211 | PLATE¤ MARK | 1002-1100 | ||
| 10 | 01580-01210 | NUT | 1101-@ | |
| 01225-30825 | SCREW | 1002-1100 | ||
| 11 | 01602-01236 | WASHER | 1101-@ | |
| 566-54-13570 | WASHER | 1002-1100 | ||
| 11A | 01643-31232 | WASHER | 1101-@ | |
| 12 | 409-03-19130 | SNAP,(WITH NUT) | 1002-@ | |
| 13 | 01642-20608 | WASHER | 1002-@ | |
| 14 | 01602-00619 | WASHER | 1002-@ | |
| 15 | 566-54-12492 | STAY | 1101-@ | |
| 566-54-12491 | STAY | 1002-1100 | ||
| 16 | 01010-31025 | BOLT | 1002-@ | |
| 17 | 01602-01030 | WASHER | 1002-@ | |
| 18 | 01643-31032 | WASHER | 1002-@ | |
| 19 | 568-06-15910 | MIRROR | 1101-@ | |
| 565-55-11120 | MIRROR | 1002-1100 | ||
| 20 | 566-54-11413 | BRACKET,L.H. | 1053-1214 | |
| 567-54-11180 | BRACKET,L.H. | 1002-1052 | ||
| 21 | 566-54-11422 | BRACKET,R.H. | 1053-1214 | |
| 567-54-11190 | BRACKET,R.H. | 1002-1052 | ||
| 22 | 01643-31032 | WASHER | 1053-1214 | |
| 567-54-11430 | CUSHION | 1002-1052 | ||
| 23 | 01010-31025 | BOLT | 1002-1214 | |
| 24 | 01602-01030 | WASHER | 1053-1214 | |
| 01650-21212 | WASHER | 1002-1052 | ||
| 25 | 567-54-11121 | HOOD | 1002-1214 | |
| 26 | 01010-31020 | BOLT | 1002-@ | |
| 27 | 01605-01018 | WASHER | 1002-1214 | |
| 28 | 567-54-11131 | COVER,L.H. | 1002-1214 | |
| 29 | 581-22-12420 | SUPPORT (WELDED) | 1002-1214 | |
| 30 | 567-54-11141 | COVER,R.H. | 1002-1214 | |
| 31 | 581-22-12420 | SUPPORT (WELDED) | 1002-1214 | |
| 32 | 581-22-12410 | CATCHER | 1002-@ | |
| 33 | 01010-30820 | BOLT | 1002-@ | |
| 34 | 01602-00825 | WASHER | 1002-@ | |
| 35 | 01580-00806 | NUT | 1002-1214 | |
| 36 | 567-54-11222 | HOOD | 1101-1214 | |
| 567-54-11221 | HOOD | 1002-1100 | ||
| 37 | 581-22-12420 | SUPPORT (WELDED) | 1101-1214 | |
| 581-22-12420 | SUPPORT (WELDED) | 1002-1100 | ||
| 38 | 567-54-11232 | HOOD | 1053-1100 | |
| 567-54-11231 | HOOD | 1002-1052 | ||
| 39 | 581-54-12420 | SUPPORT (WELDED) | 1002-1100 | |
| 40 | 567-54-11242 | BRACKET | 1101-@ | |
| 567-54-11241 | BRACKET | 1002-1100 | ||
| 41 | 01010-31025 | BOLT | 1101-1214 | |
| 01010-31025 | BOLT | 1002-1100 | ||
| 42 | 01602-01030 | WASHER | 1101-1214 | |
| 01602-01030 | WASHER | 1002-1100 | ||
| 43 | 01643-31032 | WASHER | 1101-1214 | |
| 01643-31032 | WASHER | 1002-1100 |
