
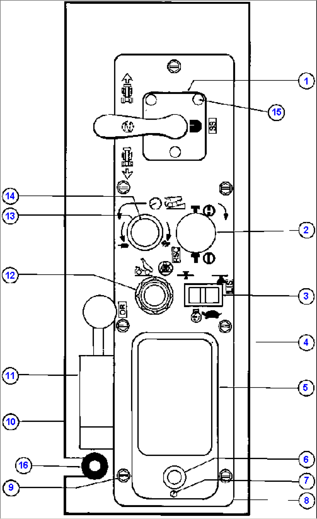
| Item | Part No. | Part Name | Qty | Serial No. |
| 1 | TY8745 | SWITCH, SELECTOR | ||
| 2 | PB6503 | SWITCH, PUSH-PULL | ||
| 3 | PB6972 | SWITCH, ROCKER | ||
| 4 | VE2590 | TRAY, ASH | ||
| 5 | VE2894 | BEZEL | ||
| 6 | SM3009 | LIGHTER, CIGAR - 12 VOLT | ||
| 7 | DL1385 | MACHINE SCREW - #8 - 32NC X 1/4" | ||
| 7 | VM9910 | LOCKWASHER - #8 | ||
| 7 | TV2179 | NUT - #8 - 32NC | ||
| 8 | WA6638 | PANEL, SHIFT CONSOLE | ||
| 9 | WA4513 | SCREW | ||
| 10 | EC2533 | PEDESTAL, CONTROL | ||
| 11 | PB6893 | VALVE, REMOTE CONTROL | ||
| 12 | PB4060 | SWITCH, PUSH BUTTON | ||
| 13 | ED2863 | POTENTIOMETER | ||
| 14 | PB5957 | KNOB | ||
| 15 | H5825 | CAPSCREW - 5/16" - 18NC X 2 1/4" | ||
| 16 | TF7982 | GROMMET, RUBBER |
