
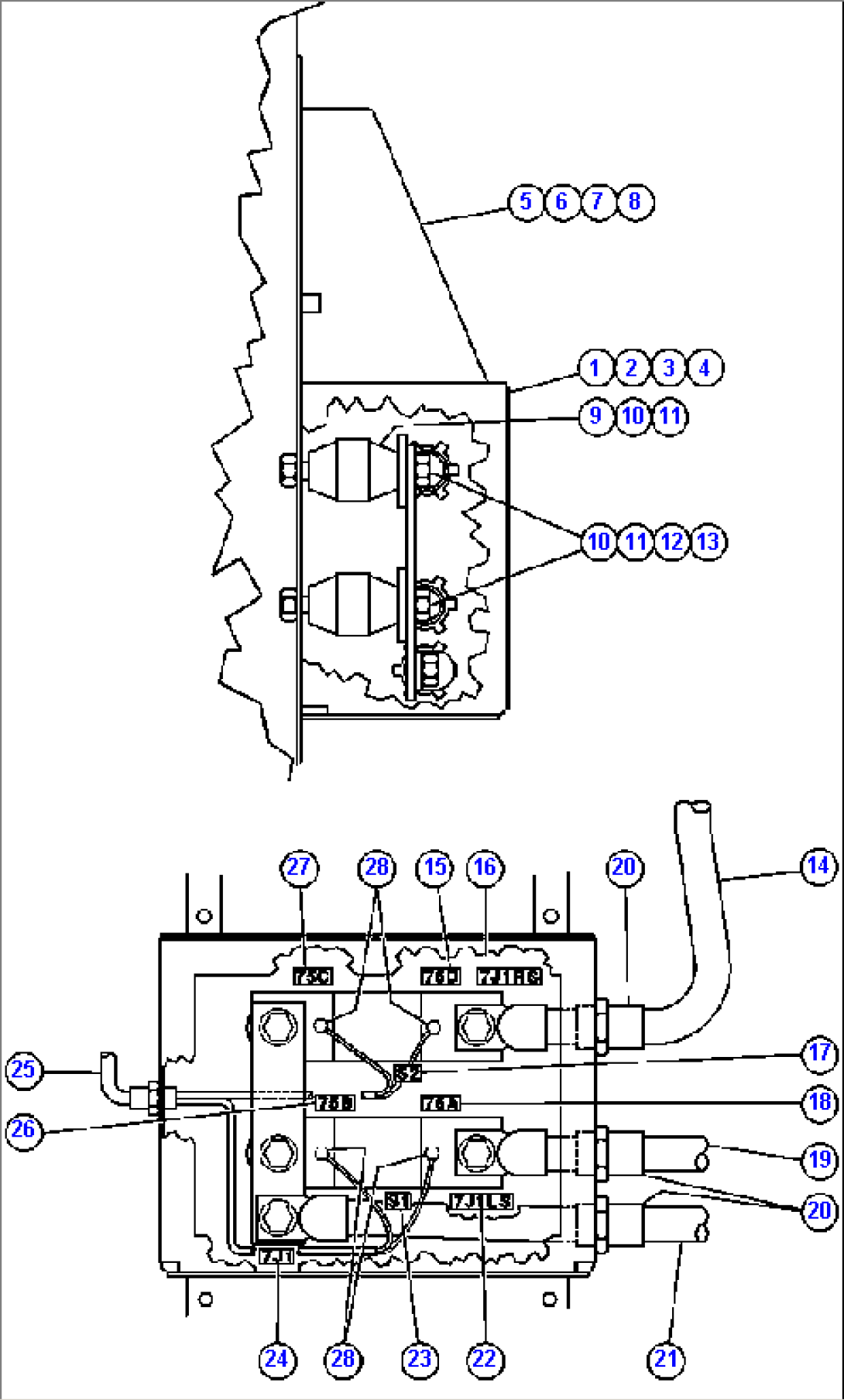
| Item | Part No. | Part Name | Qty | Serial No. |
| 1 | EG6557 | COVER | ||
| 2 | MM0016 | CAPSCREW - M8 X 1.25 X 16 | ||
| 3 | MM0470 | LOCKWASHER - M8 | ||
| 4 | MM0460 | FLAT WASHER - M8 | ||
| 5 | EG6553 | COVER | ||
| 6 | MM0047 | CAPSCREW - M10 X 1.50 X 30 | ||
| 7 | MM0471 | LOCKWASHER - M10 | ||
| 8 | MM0461 | FLAT WASHER - M10 | ||
| 9 | PB8567 | INSULATOR, CENTER POST | ||
| 10 | VC1390 | LOCKWASHER - 5/8" | ||
| 11 | TR9082 | FLAT WASHER - 5/8" | ||
| 12 | TV1748 | CAPSCREW - 5/8" - 11NC X 1 1/2" | ||
| 13 | VC5162 | CAPSCREW - 5/8" - 11NC X 1 1/4" | ||
| 14 | CH2155 | CABLE - 7J1RS | ||
| 15 | ED0377 | NAME PLATE - 75D | ||
| 16 | EC7469 | NAME PLATE - 7J1RS | ||
| 17 | EC7455 | NAME PLATE - S2 | ||
| 18 | ED0379 | NAME PLATE - 75A | ||
| 19 | CH2156 | CABLE - 7J1LS | ||
| 20 | VZ2692 | LOCKNUT - CONDULET | ||
| 21 | CH2157 | CABLE - 7J1 | ||
| 22 | EC7468 | NAME PLATE - 7J1LS | ||
| 23 | EC7454 | NAME PLATE - S1 | ||
| 24 | ED0352 | NAME PLATE - 7J1 | ||
| 25 | EC7269 | CABLE | ||
| 26 | ED0378 | NAME PLATE - 75B | ||
| 27 | ED0376 | NAME PLATE - 75C | ||
| 28 | WA3367 | NUT ASSEMBLY |
