
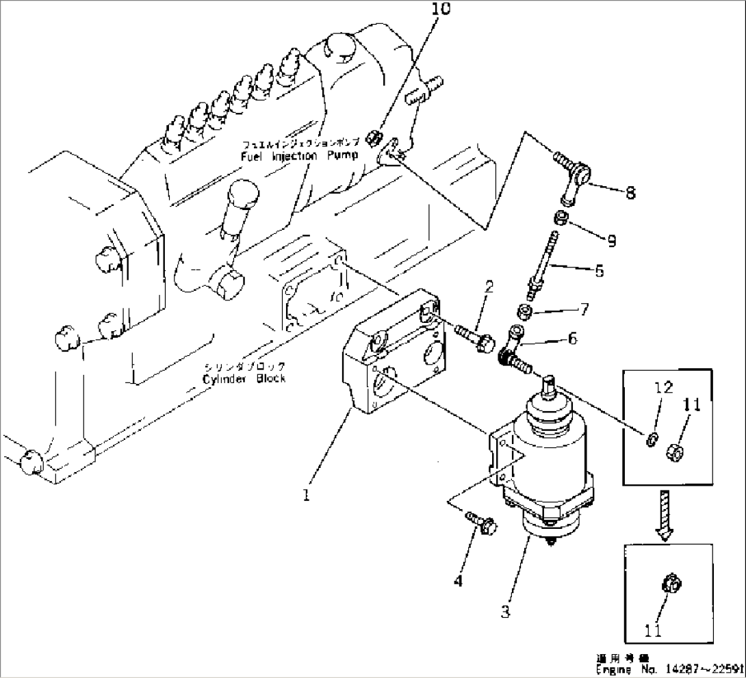
| Item | Part No. | Part Name | Qty | Serial No. | 
| 1 | 6206-81-9611 | BRACKET | 10001-22591 | |
| 2 | 01435-21040 | BOLT | 10001-22591 | |
| 3 | 600-815-6121 | SOLENOID ASS'Y | 17267-22591 | |
| \0\600-815-6120 | SOLENOID ASS'Y | 14287-17266 | ||
| 600-815-5930 | SWITCH | 10001-14286 | ||
| 4 | 01435-20620 | BOLT | 10001-22591 | |
| 6206-81-9621 | ROD ASS'Y | 14287-22591 | ||
| 6206-81-9620 | ROD ASS'Y | 10001-14286 | ||
| 5 | 04248-10607 | ROD | 14287-22591 | |
| 6206-81-9630 | ROD | 10001-14286 | ||
| 6 | 6966-83-3710 | JOINT,BALL | 14287-22591 | |
| 6138-71-8630 | JOINT,BALL | 10001-14286 | ||
| 7 | 01580-10605 | NUT | 14287-22591 | |
| 01580-00504 | NUT | 10001-14286 | ||
| 8 | 6966-83-3720 | JOINT,BALL¤ L.H. THREAD | 10001-22591 | |
| 9 | 01508-10603 | NUT¤ L.H. THREAD,L.H. THREAD | 10001-22591 | |
| 10 | 01584-20605 | NUT | 10001-22591 | |
| 11 | 01584-20605 | NUT | 14287-22591 | |
| 01580-10504 | NUT | 10001-14286 | ||
| 12 | 01601-00513 | WASHER,SPRING | 10001-14286 | 
