
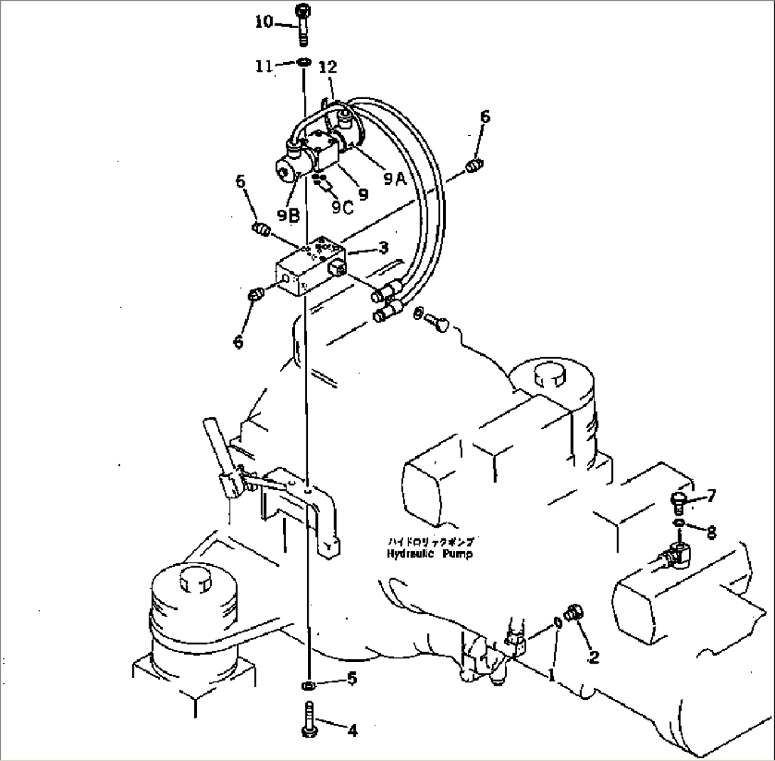
| Item | Part No. | Part Name | Qty | Serial No. |
| 1 | 07002-01423 | O-RING | 12001- | |
| 2 | 07040-11409 | PLUG | 12001- | |
| 3 | 207-43-34220 | BLOCK | 12001- | |
| 4 | 01010-51025 | BOLT | 12001- | |
| 5 | 01643-31032 | WASHER | 12001- | |
| 6 | 07043-30211 | PLUG | 12001- | |
| 7 | 07040-11409 | PLUG | 12001- | |
| 8 | 07002-01423 | O-RING | 12001- | |
| 9 | 205-43-74222 | VALVE ASS'Y | 12001- | |
| 9A | CKMC-335E-3P | COIL ASS'Y | 12001- | |
| 9B | CKMC-335E-2P | COIL ASS'Y | 12001- | |
| 9C | 07000-01006 | O-RING | 12001- | |
| 10 | 01252-40550 | BOLT | 12001- | |
| 11 | 01601-20513 | WASHER,SPRING | 12001- | |
| 12 | 08034-00519 | BAND | 12001- |
