
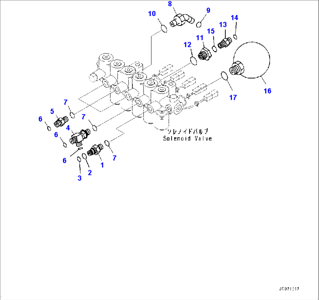
| Item | Part No. | Part Name | Qty | Serial No. |
| 1 | 20Y-62-16630 | Nipple | 1118- | |
| 2 | 201-60-11390 | O-ring | 1118- | |
| 3 | 20Y-62-19560 | O-ring | 1118- | |
| 4 | 20Y-62-41960 | Tee | 1118- | |
| 5 | 11Y-62-12130 | Nipple | 1118- | |
| 6 | 02896-11008 | O-ring | 1118- | |
| 7 | 07002-11423 | O-ring | 1118- | |
| 8 | 02783-10315 | Elbow | 1118- | |
| 9 | 02896-11009 | O-ring | 1118- | |
| 10 | 07002-12034 | O-ring | 1118- | |
| 11 | 20Y-62-21940 | Joint | 1118- | |
| 12 | 07002-12034 | O-ring | 1118- | |
| 13 | 11Y-62-12130 | Nipple | 1118- | |
| 14 | 02896-11008 | O-ring | 1118- | |
| 15 | 07002-11423 | O-ring | 1118- | |
| 16 | 22U-60-21330 | Accumulator | 1118- | |
| 17 | 07002-12034 | O-ring | 1118- |
