
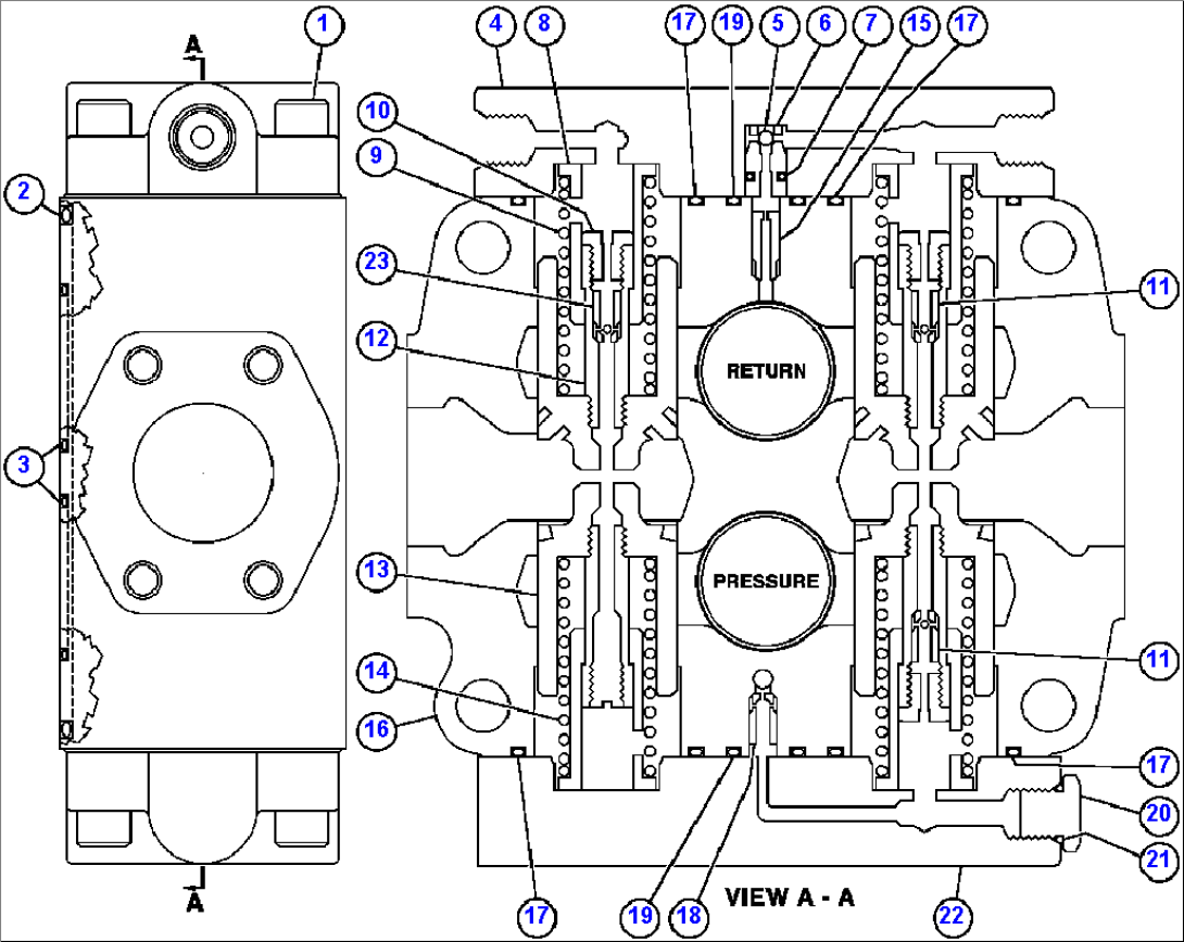
| Item | Part No. | Part Name | Qty | Serial No. |
| 1 | VJ1987 | CAPSCREW | ||
| 2 | VE3534 | O-RING (2)/(3) | ||
| 3 | VE3528 | O-RING | ||
| 4 | VE3543 | COVER, SPOOL | ||
| 5 | VE3535 | BALL (2)/(3) | ||
| 6 | VE3536 | POPPET (2) | ||
| 7 | VE3527 | O-RING (2)/(3) | ||
| 8 | VE3548 | SEAT, SPRING | ||
| 9 | VE3541 | SPRING | ||
| 10 | VE3545 | PLUG | ||
| 11 | VE3538 | POPPET (2) | ||
| 12 | VE3546 | END, SPOOL | ||
| 13 | SPOOL (1) | |||
| 14 | VE3542 | SPRING | ||
| 15 | VE5472 | POPPET (2) | ||
| 16 | HOUSING, SPOOL (1) | |||
| 17 | VE3533 | O-RING (2)/(3) | ||
| 18 | VE3603 | POPPET (2) | ||
| 19 | VJ2946 | O-RING (2)/(3) | ||
| 20 | VJ1983 | PLUG | ||
| 21 | VE3549 | O-RING (2)/(3) | ||
| 22 | VE3544 | COVER, SPOOL | ||
| 23 | VE7616 | POPPET (2) | ||
| NS|24 | NOTE: (1) NOT SERVICED SEPARATELY. | |||
| NS|25 | VE7622 | (2) INCLUDED IN VE7622 MAJOR SERVICE KIT. | ||
| NS|26 | VE7621 | (3) INCLUDED IN VE7621 MINOR SERVICE KIT. |
