
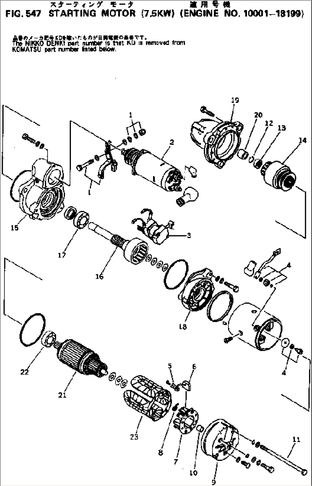
Item | Part No. | Part Name | Qty | Serial No. |
600-813-3530 | STARTING MOTOR ASS'Y,(7.5KW) | 10001-18199 | ||
1 | KD1-23320-0190 | SHIFT LEVER ASS'Y | 10001-18199 | |
2 | KD0-47100-3420 | MAGNETIC SWITCH A. | 10001-18199 | |
3 | KD0-25000-6561 | SWITCH ASS'Y,SAFETY RELAY | 10001-18199 | |
4 | KD7-23780-0160 | TERMINAL ASS'Y | 10001-18199 | |
KD7-23700-0150 | REAR BRACKET ASS'Y | 10001-18199 | ||
5 | KD1-25922-2800 | PLATE | 10001-18199 | |
6 | KD1-23740-0050 | BRUSH ASS'Y | 10001-18199 | |
7 | KD0-23750-0050 | BRUSH HOLDER ASS'Y | 10001-18199 | |
8 | KD1-23913-0040 | BRUSH,BRUSH | 10001-18199 | |
9 | KD0-23700-0040 | REAR BRACKET ASS'Y | 10001-18199 | |
10 | KD7-23351-0060 | METAL | 10001-18199 | |
11 | KD0-23901-0030 | BOLT,THROUGH | 10001-18199 | |
12 | KD1-23914-0020 | RING,CLIP | 10001-18199 | |
13 | KD1-23181-0020 | STOPPER,PINION | 10001-18199 | |
14 | KD1-23500-0170 | CLUTCH ASS'Y,OVER RUNNING | 10001-18199 | |
15 | KD1-23600-0100 | CENTER BRACKET A. | 10001-18199 | |
16 | KD7-23120-0090 | SHAFT ASS'Y | 10001-18199 | |
17 | KD1-0456-60067 | BEARING,BALL | 10001-18199 | |
18 | KD1-23611-0080 | BRACKET,CENTER | 10001-18199 | |
19 | KD1-23310-0400 | FRONT BRACKET ASS'Y | 10001-18199 | |
20 | KD7-23351-0080 | METAL | 10001-18199 | |
21 | KD7-23100-0290 | ARMATURE ASS'Y | 10001-18199 | |
22 | KD1-0456-62047 | BEARING,BALL | 10001-18199 | |
23 | KD0-23230-0150 | FIELD COIL ASS'Y | 10001-18199 | |
24 | KD7-23920-0130 | WASHER ASS'Y,(NOT SHOWN) | 10001-18199 | |
25 | KD7-09210-1000 | SEAL ASS'Y,(NOT SHOWN) | 10001-18199 |