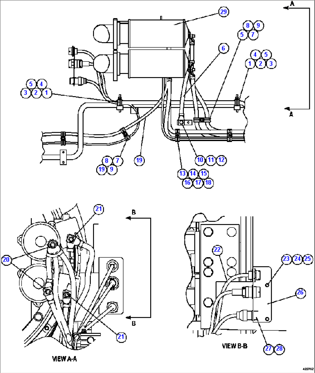
| Item | Part No. | Part Name | Qty | Serial No. |
| 1 | EM2973 | ROD, THREADED - 5/16" - 18NC | | |
| 2 | MM0459 | FLAT WASHER - M6 | | |
| 3 | MM0469 | LOCKWASHER - M6 | | |
| 4 | C1520 | NUT - 5/16" - 18NC | | |
| 5 | WB3092 | CLAMP, CUSHION - 7/8" | | |
| 6 | CH4095 | CABLE, BLACK | | |
| 7 | MM0461 | FLAT WASHER - M10 | | |
| 8 | MM0471 | LOCKWASHER - M10 | | |
| 9 | MM0178 | NUT - M10 X 1.50 | | |
| 10 | TC1234 | CAPSCREW - 3/8" - 16NC X 3/4" | | |
| 11 | TR4436 | FLAT WASHER - 3/8" | | |
| 12 | TC1231 | LOCKWASHER - 3/8" | | |
| 13 | EM3364 | THREADED ROD - M6 X 1.00 X 50 | | |
| 14 | WB1302 | CLAMP, CUSHION - 5/16" | | |
| 15 | MM0459 | FLAT WASHER - M6 | | |
| 16 | MM0462 | FLAT WASHER - M12 | | |
| 17 | EJ3891 | CLAMP ASSEMBLY | | |
| 18 | MM0176 | NUT - M6 X 1.00 | | |
| 19 | WB1304 | CLAMP, CUSHION - 9/16" | | |
| 20 | 08038-02027 | CAP, TERMINAL | | |
| 21 | 08038-00035 | CAP, TERMINAL | | |
| 22 | EM9245 | HARNESS, ENGINE (EXTERNAL) | | |
| 23 | MM0025 | CAPSCREW - M6 X 1.00 X 20 | | |
| 24 | MM0459 | FLAT WASHER - M6 | | |
| 25 | MM0469 | LOCKWASHER - M6 | | |
| 26 | EM4676 | SHEET, BENT | | |
| 27 | WA5642 | SCREW - #4 - 40NC X 1/2" | | |
| 28 | WB0904 | PLATE, NUT | | |
| 29 | XA3660 | MOTOR, CRANKING | | |
| NS|30 | | NOTE: NS = NOT SHOWN | | |
| NS|31 | 09842-A0481 | PLATE, JUMP START WARNING | | |