
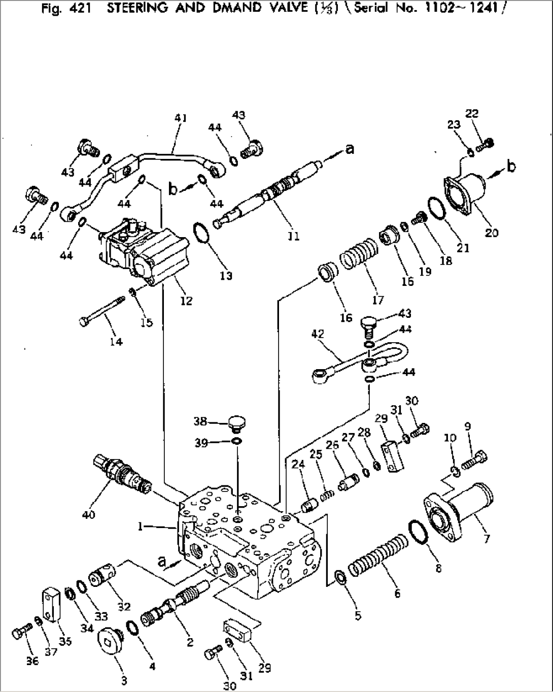
| Item | Part No. | Part Name | Qty | Serial No. |
| 702-13-23000 | VALVE ASS'Y | 1102- | ||
| THIS ASSEMBLY CONSISTS OF ALL PARTS SHOWN IN FIGS.421, 422 AND 423. | ||||
| 1 | 702-13-21112 | BODY | 1102- | |
| 2 | 702-13-21130 | SPOOL | 1102- | |
| 3 | 07040-13016 | PLUG | 1102- | |
| 4 | 07002-23034 | O-RING | 1102- | |
| 5 | 700-93-11241 | PLATE | 1102- | |
| 6 | 702-13-21170 | SPRING | 1102- | |
| 7 | 702-13-21180 | COVER | 1102- | |
| 8 | 07000-23050 | O-RING | 1102- | |
| 9 | 01010-51250 | BOLT | 1102- | |
| 10 | 01602-21236 | WASHER | 1102- | |
| 11 | \6\ | SPOOL | 1102- | |
| 12 | (702-13-21601) | ROTARY SEAL ASS'Y | 1102- | |
| 13 | 07000-23042 | O-RING | 1102- | |
| 14 | 430-07-23560 | BOLT | 1102- | |
| 15 | 01602-20825 | WASHER | 1102- | |
| 16 | 702-13-21160 | RETAINER | 1102- | |
| 17 | 702-13-31170 | SPRING | 1102- | |
| 18 | 01252-31016 | BOLT | 1102- | |
| 19 | 01643-31032 | WASHER | 1102- | |
| 20 | 702-13-21140 | CASE | 1102- | |
| 21 | 07000-23048 | O-RING | 1102- | |
| 22 | 01252-30825 | BOLT | 1102- | |
| 23 | 01602-20825 | WASHER | 1102- | |
| 24 | 701-13-31120 | VALVE | 1102- | |
| 25 | 701-30-65131 | SPRING | 1102- | |
| 26 | 702-13-21190 | SEAT | 1102- | |
| 27 | 07000-22016 | O-RING | 1102- | |
| 28 | 07001-02016 | RING | 1102- | |
| 29 | 702-13-21240 | PLATE | 1102- | |
| 30 | 01010-51040 | BOLT | 1102- | |
| 31 | 01602-21030 | WASHER | 1102- | |
| 32 | 702-13-23150 | ORIFICE | 1102- | |
| 33 | 07000-23022 | O-RING | 1102- | |
| 34 | 07001-03022 | RING | 1102- | |
| 35 | 702-13-21230 | PLATE | 1102- | |
| 36 | 01010-51040 | BOLT | 1102- | |
| 37 | 01602-21030 | WASHER | 1102- | |
| 38 | 07040-11812 | PLUG | 1102- | |
| 39 | 07002-21823 | O-RING | 1102- | |
| 40 | (700-81-52001) | VALVE ASS'Y,RELIEF | 1102- | |
| 41 | 702-13-21251 | TUBE | 1102- | |
| 42 | 702-13-21261 | TUBE | 1102- | |
| 43 | 198-60-15550 | BOLT | 1102- | |
| 44 | 07000-22018 | O-RING | 1102- |
