
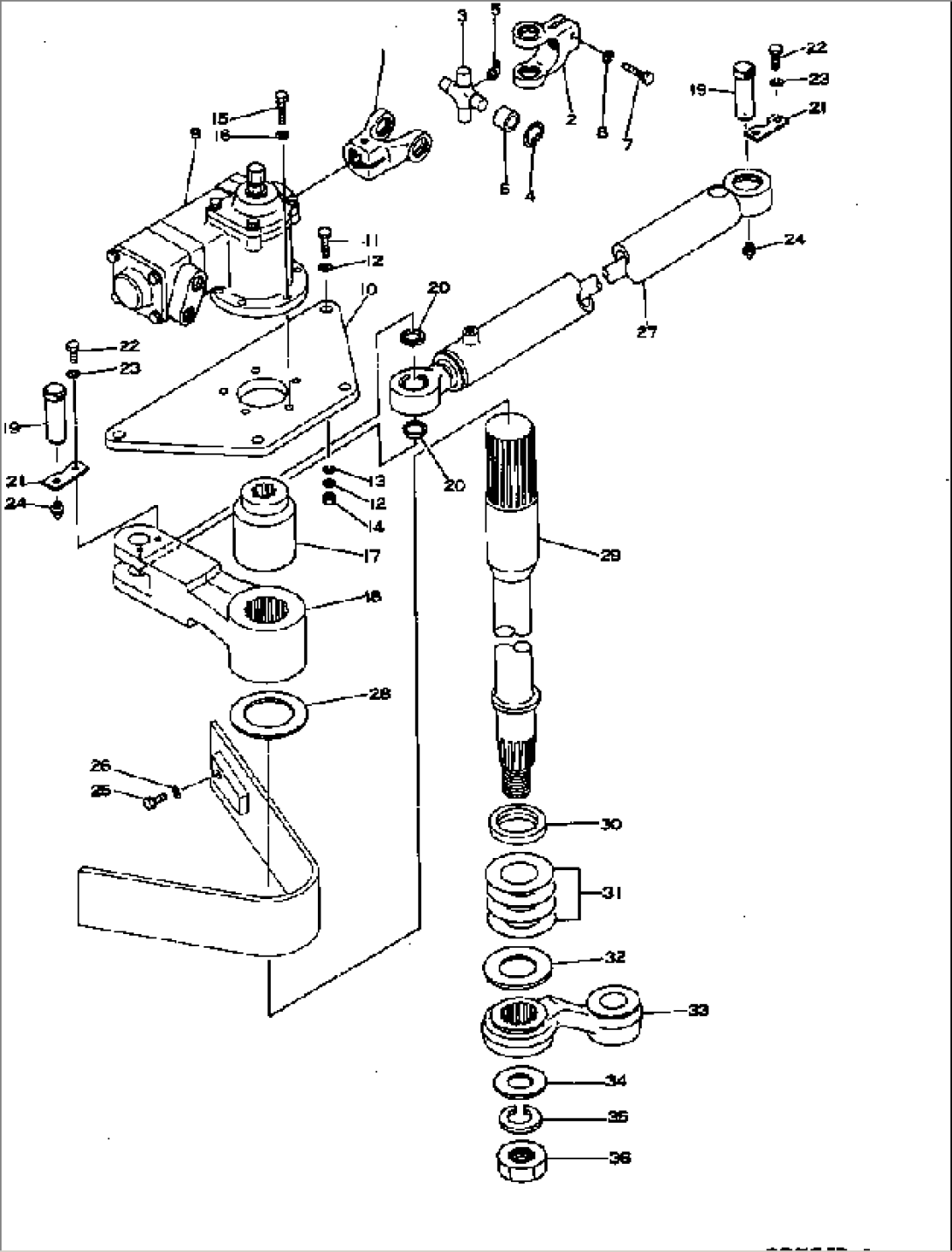
| Item | Part No. | Part Name | Qty | Serial No. |
| 232-40-52700 | JOINT ASS'Y | 1001- | ||
| 1 | 232-40-52710 | YOKE | 1001- | |
| 2 | \6\ | YOKE | 1001- | |
| 3 | 232-40-52730 | SPIDER | 1001- | |
| 4 | 232-40-52750 | RING | 1001- | |
| 5 | 232-40-52760 | FITTING | 1001- | |
| 6 | 232-40-52740 | BEARING | 1001- | |
| 7 | 01050-51035 | BOLT | 1001- | |
| 8 | 01602-21030 | WASHER | 1001- | |
| 9 | \0\232-40-00400 | GEAR ASS'Y | 1001- | |
| 10 | 232-40-54160 | PLATE | 1001- | |
| 11 | \0\01010-51660 | BOLT | 1001- | |
| 12 | 01643-31645 | WASHER | 1001- | |
| 13 | 01602-21648 | WASHER | 1001- | |
| 14 | 01580-11613 | NUT | 1001- | |
| 15 | \1\01050-51235 | BOLT | 1001- | |
| 16 | 01602-21236 | WASHER | 1001- | |
| 17 | 232-40-54120 | JOINT | 1001- | |
| 18 | 234-40-14140 | ARM | 1001- | |
| 19 | 232-40-54140 | PIN | 1001- | |
| 20 | 232-40-54150 | SPACER | 1001- | |
| 21 | 04082-00110 | LOCK | 1001- | |
| 22 | \1\01010-51020 | BOLT | 1001- | |
| 23 | 01602-21030 | WASHER | 1001- | |
| 24 | 07020-00000 | FITTING | 1001- | |
| 25 | 233-46-13182 | BOLT | 1001- | |
| 26 | 01582-01815 | NUT | 1001- | |
| 27 | \0\232-40-00410 | CYLINDER ASS'Y | 1001- | |
| 28 | 234-40-14170 | SPACER | 1001- | |
| 29 | 234-40-14113 | SHAFT | 1001- | |
| 30 | 234-40-14121 | SPACER | 1001- | |
| 31 | 234-40-14160 | SHIM | 1001- | |
| 32 | 234-40-14150 | WASHER | 1001- | |
| 33 | 234-40-14133 | ARM | 1001- | |
| \6\ | ARM | 1001-1193 | ||
| 34 | 234-40-14180 | WASHER | 1001- | |
| 35 | 01601-03995 | WASHER | 1001- | |
| 36 | 01580-03931 | NUT | 1001- |
