
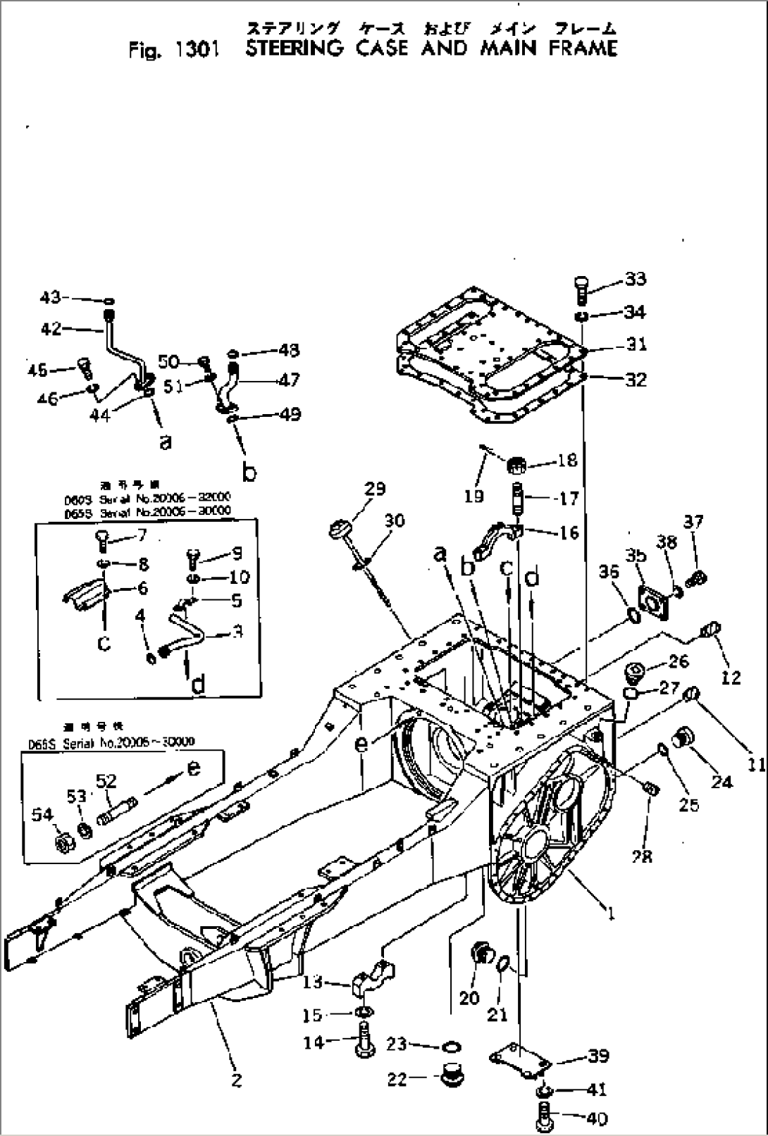
| Item | Part No. | Part Name | Qty | Serial No. |
| 141-21-00513 | MAIN FRAME ASS'Y | 30001- | ||
| 141-21-00512 | MAIN FRAME ASS'Y | 22388-30000 | ||
| \0\141-21-00511 | MAIN FRAME ASS'Y | 20024-22387 | ||
| \0\141-21-00510 | MAIN FRAME ASS'Y | 20006-20021 | ||
| 141-21-31108 | CASE AND FRAME | 30001- | ||
| 141-21-31107 | CASE AND FRAME | .-30000 | ||
| \0\141-21-31106 | CASE AND FRAME | 23712-. | ||
| \0\141-21-31104 | CASE AND FRAME | 22388-23711 | ||
| \0\141-21-31103 | CASE AND FRAME | 20024-22387 | ||
| \0\141-21-31102 | CASE AND FRAME | 20006-20021 | ||
| 141-21-31590 | CASE AND FRAME,(FOR LARGE-CAPACITY RADIATOR) | 30001- | ||
| 1 | 141-21-31216 | CASE | 30001- | |
| 141-21-31215 | CASE | 23712-30000 | ||
| \0\141-21-31213 | CASE | 22388-23711 | ||
| 141-21-31212 | CASE | 20024-22387 | ||
| 141-21-31211 | CASE | 20006-20021 | ||
| 2 | 141-21-31313 | FRAME | 20024- | |
| 141-21-31312 | FRAME | 20006-20021 | ||
| 3 | 141-21-31250 | TUBE | 20006-30000 | |
| 4 | 07000-03035 | O-RING | 20006-30000 | |
| 5 | 141-21-31260 | CLIP | 20006-30000 | |
| 6 | 144-21-11222 | COVER | 20024-30000 | |
| 144-21-11221 | COVER | 20006-20021 | ||
| 7 | 01010-31016 | BOLT | 20006-30000 | |
| 8 | 01602-01030 | WASHER | 20006-30000 | |
| 9 | 01010-31020 | BOLT | 20006-30000 | |
| 10 | 01602-01030 | WASHER | 20006-30000 | |
| 11 | 07049-03342 | PLUG | 20006- | |
| 12 | 07049-02430 | PLUG | 20006- | |
| 13 | 145-21-31171 | CAP | 20006- | |
| 14 | 01010-32295 | BOLT | 20006- | |
| 15 | 01602-02268 | WASHER | 20006- | |
| 16 | 144-21-12190 | CAP | 20006- | |
| 17 | 01123-62200 | STUD | 20006- | |
| 18 | 01592-02226 | NUT | 20006- | |
| 19 | 04050-05040 | PIN | 20006- | |
| 20 | 07044-13620 | PLUG | 22388- | |
| \0\07044-03620 | PLUG | 20006-22387 | ||
| 21 | 07000-03032 | O-RING | 20006- | |
| 22 | 07044-13620 | PLUG | 22388- | |
| \0\07044-03620 | PLUG | 20006-22387 | ||
| 23 | 07000-03032 | O-RING | 20006- | |
| 24 | 07041-13612 | PLUG | 22388- | |
| 07041-03612 | PLUG | 20032-22387 | ||
| \0\135-27-11150 | PLUG | 20006-20031 | ||
| 25 | 07000-03032 | O-RING | 20006- | |
| 26 | 07041-13612 | PLUG | 22388- | |
| 07041-03612 | PLUG | 20032-22387 | ||
| \0\135-27-11150 | PLUG | 20006-20031 | ||
| 27 | 07000-03032 | O-RING | 20006- | |
| 28 | 135-21-11250 | PLUG | 20006- | |
| 29 | 141-21-31220 | GAUGE | 20006- | |
| 30 | 07000-03038 | O-RING | 20006- | |
| 31 | 141-21-31411 | COVER | 20006- | |
| 32 | 135-21-11421 | GASKET | 20006- | |
| 33 | 01010-31435 | BOLT | 22388- | |
| \0\01040-31435 | BOLT | 20006-22387 | ||
| 34 | 01602-01442 | WASHER | 20006- | |
| 35 | 135-21-11210 | PLATE | 20006- | |
| 36 | 07000-03110 | O-RING | 20006- | |
| 37 | 01010-31630 | BOLT | 22388- | |
| \0\01040-31630 | BOLT | 20006-22387 | ||
| 38 | 01602-01648 | WASHER | 20006- | |
| 39 | 135-21-11220 | PLATE | 20006- | |
| 40 | 01010-62040 | BOLT | 22388- | |
| \0\01040-62040 | BOLT | 20006-22387 | ||
| 41 | 01602-02060 | WASHER | 20006- | |
| 42 | 144-21-11453 | TUBE | 20024- | |
| 144-21-11452 | TUBE | 20006-20021 | ||
| 43 | 07000-02015 | O-RING | 20006- | |
| 44 | 07000-02018 | O-RING | 20006- | |
| 45 | 01010-31025 | BOLT | 20006- | |
| 46 | 01602-01030 | WASHER | 20006- | |
| 47 | 141-21-31460 | TUBE | 20006- | |
| 48 | 07000-02015 | O-RING | 20006- | |
| 49 | 07000-02018 | O-RING | 20006- | |
| 50 | 01010-31025 | BOLT | 20006- | |
| 51 | 01602-01030 | WASHER | 20006- | |
| 52 | 01120-31840 | STUD | 20006-30000 | |
| 53 | 01602-01854 | WASHER | 20006-30000 | |
| 54 | 01500-31816 | NUT | 20006-30000 | |
| 01582-11815 | NUT | 20006-30000 |
