
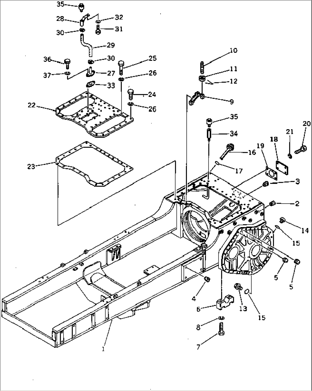
| Item | Part No. | Part Name | Qty | Serial No. |
| 1 | 144-21-51410 | CASE AND FRAME | 45535- | |
| 2 | 07049-03342 | PLUG | 45001- | |
| 3 | 07049-02430 | PLUG | 45001- | |
| 4 | 07049-02025 | PLUG | 45001- | |
| 5 | 131-21-41520 | PLUG | 45001- | |
| 6 | 141-21-31330 | CAP | 45001- | |
| 7 | 01010-52295 | BOLT | 45001- | |
| 8 | 01602-22268 | WASHER,SPRING | 45001- | |
| 9 | 144-21-12190 | CAP | 45001- | |
| 10 | 01123-62200 | STUD | 45001- | |
| 11 | 01592-02226 | NUT | 45001- | |
| 12 | 04050-15040 | PIN,COTTER | 45001- | |
| 13 | 07044-13620 | PLUG,DRAIN | 45001- | |
| 14 | 07040-13618 | PLUG | 45001- | |
| 15 | 07002-03634 | O-RING | 45001- | |
| 16 | 144-21-51380 | GAUGE | 45304- | |
| 17 | 07000-03038 | O-RING | 45001- | |
| 18 | 144-21-11950 | PLATE | 45001- | |
| 19 | 144-21-11960 | GASKET | 45001- | |
| 20 | 01010-51635 | BOLT | 45001- | |
| 21 | 01602-21648 | WASHER,SPRING | 45001- | |
| 22 | 144-21-11970 | COVER | 45001- | |
| 23 | 144-21-11421 | GASKET | 45001- | |
| 24 | 01010-51435 | BOLT | 45001- | |
| 25 | 01010-51445 | BOLT | 45001- | |
| 26 | 01602-21442 | WASHER,SPRING | 45001- | |
| 27 | 144-21-11981 | FLANGE | 45582- | |
| 27 | 144-21-11980 | FLANGE | 45001-45581 | |
| 28 | 144-21-51210 | EXTENSION | 45304- | |
| 29 | 144-21-51220 | HOSE | 45304- | |
| 30 | 07281-00289 | CLAMP | 45304- | |
| 31 | 01010-51020 | BOLT | 45304- | |
| 32 | 01602-21030 | WASHER,SPRING | 45304- | |
| 33 | 135-43-31160 | GASKET | 45001- | |
| 34 | 154-21-11830 | NIPPLE | 45001- | |
| 35 | 07030-00252 | BREATHER | 45001- | |
| 36 | 01010-51025 | BOLT | 45001- | |
| 37 | 01602-21030 | WASHER,SPRING | 45001- |
