
| Item | Part No. | Part Name | Qty | Serial No. |
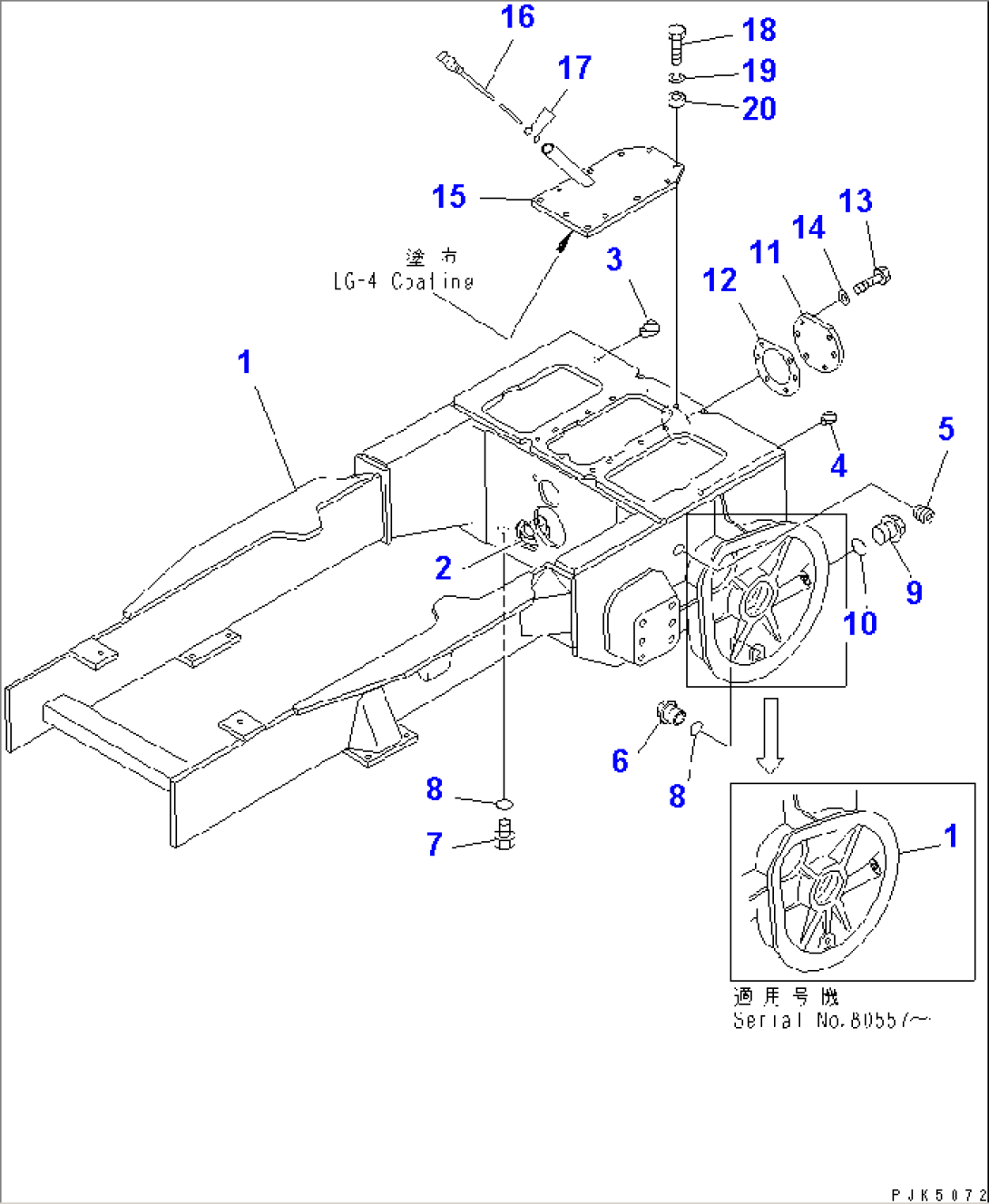
| 1 | 10G-Y16-4912 | CASE FRAME ASSY | 81473- | |
| 1 | 10G-Y16-4911 | CASE FRAME ASS'Y | 80557-81472 | |
| 1 | \0\10G-Y16-4910 | FRAME | 78604-80556 | |
| 2 | 103-21-21181 | BOSS (WELDED) | 78604- | |
| 3 | 104-21-31140 | PLUG | 78604- | |
| 4 | 07049-01012 | PLUG | 78604- | |
| 5 | 07043-01019 | PLUG | 78604- | |
| 6 | 07044-12412 | PLUG | 78604- | |
| 7 | 07040-12414 | PLUG | 78604- | |
| 8 | 07002-02434 | O-RING | 78604- | |
| 9 | 07040-13016 | PLUG | 78604- | |
| 10 | 07002-03034 | O-RING | 78604- | |
| 11 | 101-21-11170 | PLATE | 78604- | |
| 12 | 101-21-11161 | GASKET | 78604- | |
| 13 | 01010-81020 | BOLT | 78604- | |
| 14 | 01643-31032 | WASHER | 78604- | |
| 15 | 103-21-31211 | COVER | 78604- | |
| 16 | 103-21-21231 | GAUGE | 78604- | |
| 17 | 07002-02434 | O-RING | 78604- | |
| 18 | 01010-81045 | BOLT | 78604- | |
| 19 | 01602-21030 | WASHER,SPRING | 78604- | |
| 20 | 103-21-31260 | BOSS | 78604- |
