
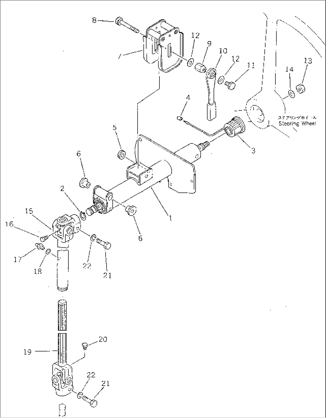
| Item | Part No. | Part Name | Qty | Serial No. |
| 421-40-12314 | STEERING COLUMN A. | 30001- | ||
| 421-40-12313 | STEERING COLUMN A. | 10001-29999 | ||
| 1 | 421-40-12470 | COLUMN ASS'Y | 10001- | |
| 2 | 04064-02012 | RING,SNAP | 10001- | |
| 3 | 421-40-12430 | BUSHING | 10001- | |
| 4 | 421-40-12460 | COVER | 10001- | |
| 5 | 419-40-12110 | GROMMET | .- | |
| \0\281-40-12470 | GROMMET | 10001-. | ||
| 6 | 421-40-12411 | BUSHING | 10001- | |
| 7 | 421-40-12350 | BRACKET | 10001- | |
| 8 | 421-40-12370 | BOLT | 10001- | |
| 9 | 421-40-12380 | NUT | 10001- | |
| 10 | 421-40-12361 | LEVER | 10001- | |
| 11 | 421-40-12390 | BOLT | 10001- | |
| 12 | 421-40-12420 | WASHER | 10001- | |
| 13 | 421-40-12440 | NUT | 10001- | |
| 14 | 421-40-12450 | WASHER | 10001- | |
| 15 | 421-40-12571 | JOINT ASS'Y | 30001- | |
| 421-40-12570 | JOINT ASS'Y | 10001-29999 | ||
| 16 | 421-40-12590 | PLUG | 10001- | |
| 17 | 07020-00001 | FITTING,GREASE | 10001- | |
| 18 | 01643-30623 | WASHER | 10001- | |
| 19 | 421-40-12581 | JOINT ASS'Y | 30001- | |
| 421-40-12580 | JOINT ASS'Y | 10001-29999 | ||
| 20 | 421-40-12590 | PLUG | 10001- | |
| 21 | 01050-51040 | BOLT | 10001- | |
| 22 | 01602-21030 | WASHER,SPRING | 10001- |
