
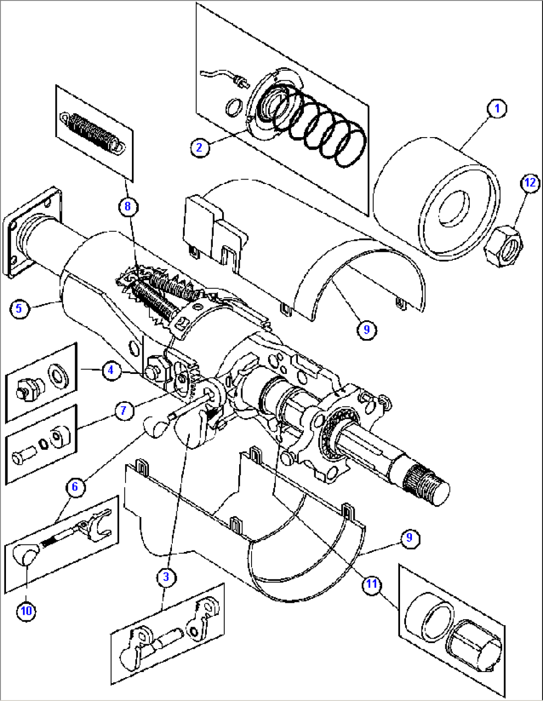
| Item | Part No. | Part Name | Qty | Serial No. |
| 1 | BF5167 | KIT, GAP HIDER | ||
| 2 | BF5168 | KIT, HORN BUSHING | ||
| 3 | BF5169 | KIT, ROD AND PAWL | ||
| 4 | BF5170 | KIT, TILT BOLT | ||
| 5 | VE4299 | COVER | ||
| 6 | BF5171 | KIT, TILT LEVER | ||
| 7 | BF2071 | KIT, TILT STOP | ||
| 8 | BF5176 | KIT, EXTENSION SPRING | ||
| 9 | BF5172 | KIT, COVER (UPPER & LOWER) | ||
| 10 | BF5173 | KIT, KNOB | ||
| 11 | BF5174 | KIT, TELESCOPE LINK | ||
| 12 | BF5175 | NUT | ||
| NS|13 | NOTE: NS = NOT SHOWN | |||
| NS|14 | VE4309 | BRACKET, MOUNTING | ||
| NS|15 | VE4310 | CAPSCREW - 3/8" - 24NF | ||
| NS|16 | VE4311 | LOCKWASHER - 3/8" |
