
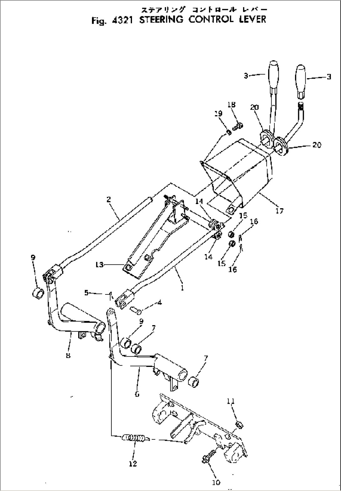
| Item | Part No. | Part Name | Qty | Serial No. |
| 1 | 113-43-38631 | LEVER,L.H. | 32001- | |
| 2 | 113-43-38641 | LEVER,R.H. | 32001- | |
| 3 | 09305-11400 | KNOB | 32001- | |
| 4 | 04205-11235 | PIN | 32001- | |
| 5 | 04050-13020 | PIN | 32001- | |
| 113-43-00790 | LEVER ASS'Y,L.H. | 32001- | ||
| 6 | \6\ | LEVER,L.H. | 32001- | |
| 7 | 09350-02820 | BUSHING | 32001- | |
| 113-43-00810 | LEVER ASS'Y,R.H. | 32001- | ||
| 8 | \6\ | LEVER,R.H. | 32001- | |
| 9 | 09350-03020 | BUSHING | 32001- | |
| 10 | 09311-31237 | BUMPER | 32001- | |
| 11 | 01580-11210 | NUT | 32001- | |
| 12 | 113-890-6170 | SPRING | 32001- | |
| 13 | 113-43-38450 | BRACKET | 32001- | |
| 14 | 09365-00826 | ROLLER | 32001- | |
| 15 | 01590-10809 | NUT | 32001- | |
| 16 | 04050-12015 | PIN | 32001- | |
| 17 | 113-43-38610 | COVER | 32001- | |
| 18 | 01010-30616 | BOLT | 32001- | |
| 19 | 01602-00619 | WASHER | 32001- | |
| 20 | 130-54-61270 | GUIDE | 32001- |
