
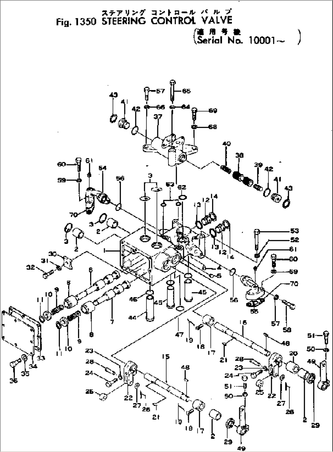
| Item | Part No. | Part Name | Qty | Serial No. |
| 154-21-01014 | CONTROL VALVE ASS'Y | 15596- | ||
| 154-21-01013 | CONTROL VALVE ASS'Y | 14660-15595 | ||
| \0\154-21-01011 | CONTROL VALVE ASS'Y | 10803-14659 | ||
| \0\154-21-01010 | CONTROL VALVE ASS'Y | 10001-10802 | ||
| 154-21-01030 | HOUSING ASS'Y | 10001- | ||
| 1 | \6\ | HOUSING | 10001- | |
| 2 | 170-43-12360 | BUSHING | 10001- | |
| 3 | 07046-04520 | PLUG | 10001- | |
| 4 | 07043-00415 | PLUG | 10001- | |
| 5 | 07043-00108 | PLUG | 10001- | |
| 6 | \6\ | SPOOL | 10001- | |
| 7 | \6\ | SPOOL | 10001- | |
| 8 | 175-43-12180 | BUSHING | 10001- | |
| 9 | 170-43-22240 | SPRING | 10001- | |
| 10 | 175-43-12190 | WASHER | 10001- | |
| 11 | 04064-02012 | RING | 10001- | |
| 12 | 170-33-13530 | STOPPER | 10001- | |
| 13 | 07000-03025 | O-RING (KIT) | 10001- | |
| 14 | 04065-03515 | RING | 10001- | |
| 15 | 154-21-15111 | SHAFT | 15596- | |
| 15 | 154-21-15110 | SHAFT | 10001-15595 | |
| 16 | 154-21-15121 | SHAFT | 15596- | |
| 16 | 154-21-15120 | SHAFT | 10001-15595 | |
| 17 | 170-43-12380 | COLLAR | 10001- | |
| 18 | 01302-00812 | SCREW | 10001- | |
| 19 | 04059-01012 | WIRE | 10001- | |
| 20 | 175-43-12240 | COLLAR | 10001- | |
| 21 | 04010-00522 | KEY | 10001- | |
| 22 | 170-43-12321 | LEVER | 10001- | |
| 23 | 01602-01236 | WASHER | 10001- | |
| 24 | 01010-31250 | BOLT | 10001- | |
| 25 | 170-43-12330 | ROLLER | 10001- | |
| 26 | 04050-03020 | PIN | 10001- | |
| 27 | 01641-21220 | WASHER | 10001-10802 | |
| 28 | 04205-01238 | PIN | 10001- | |
| 29 | 07011-00025 | SEAL (KIT) | 10001- | |
| 30 | 175-43-12210 | PLATE | 10001- | |
| 31 | 01602-01030 | WASHER | 10001- | |
| 32 | 01010-31030 | BOLT | 10001- | |
| 33 | 175-43-12150 | GASKET (KIT) | 10001- | |
| 34 | 175-43-12140 | COVER | 10001- | |
| 35 | 01602-01030 | WASHER | 10001-@ | |
| 36 | 01010-31025 | BOLT | 10001-@ | |
| 154-21-01051 | VALVE ASS'Y | 10001-24999 | ||
| 154-21-01070 | HOUSING ASS'Y | 10001-24999 | ||
| 37 | \6\ | HOUSING | 10001-24999 | |
| 38 | \6\ | VALVE | 10001-24999 | |
| 39 | 145-14-23720 | PISTON | 10001-@ | |
| 40 | 154-21-15220 | SPRING | 10001-24999 | |
| 41 | 170-33-13530 | STOPPER | 10001-24999 | |
| 42 | 07000-03025 | O-RING (KIT) | 10001-24999 | |
| 43 | 04065-03515 | RING | 10001-24999 | |
| 44 | 170-43-12120 | TUBE | 10001-@ | |
| 45 | 175-43-12120 | TUBE | 10001-24999 | |
| 46 | 07000-03028 | O-RING (KIT) | 10001-24999 | |
| 47 | 07000-03028 | O-RING (KIT) | 10001-24999 | |
| 48 | 04010-00519 | KEY | 10001-@ | |
| 49 | 154-21-15131 | LEVER | 21301-24999 | |
| 49 | \0\154-21-15130 | LEVER | 10001-21300 | |
| 50 | 01602-00825 | WASHER | 10001-@ | |
| 51 | 01010-30825 | BOLT | 14660-24999 | |
| 51 | 01000-30825 | BOLT | 10001-14659 | |
| 52 | 01602-01236 | WASHER | 10001-24999 | |
| 53 | 01011-31200 | BOLT | 10001-24999 | |
| 54 | 154-21-15141 | TUBE | 15879-24999 | |
| 54 | 154-21-15140 | TUBE | 10001-15878 | |
| 55 | 154-21-15161 | TUBE | 15879-24999 | |
| 55 | 154-21-15160 | TUBE | 10001-15878 | |
| 56 | 07000-03030 | O-RING (KIT) | 10001-24999 | |
| 57 | 01602-01030 | WASHER | 10001-@ | |
| 58 | 01010-31030 | BOLT | 10001-@ | |
| 59 | 01602-01030 | WASHER | 10001-24999 | |
| 60 | 01010-31045 | BOLT | 10001- | |
| 61 | 07042-00108 | PLUG | 10001- | |
| 62 | 07000-03028 | O-RING (KIT) | 10001- | |
| 63 | 07000-03020 | O-RING (KIT) | 10001- | |
| 64 | 01602-01236 | WASHER | 10001- | |
| 65 | 175-43-12331 | BOLT | 10001- | |
| 66 | 01602-01236 | WASHER | 10001- | |
| 67 | 01011-31225 | BOLT | 10683- | |
| 67 | 01011-31220 | BOLT | 10001-10682 | |
| 68 | 01602-01236 | WASHER | 10001- | |
| 69 | 01010-31230 | BOLT | 10001- | |
| 70 | 154-21-15190 | GASKET (KIT) | 10001- |
