
| Item | Part No. | Part Name | Qty | Serial No. |
| 232-40-51100 | STEERING WHEEL,\ | 10002- | ||
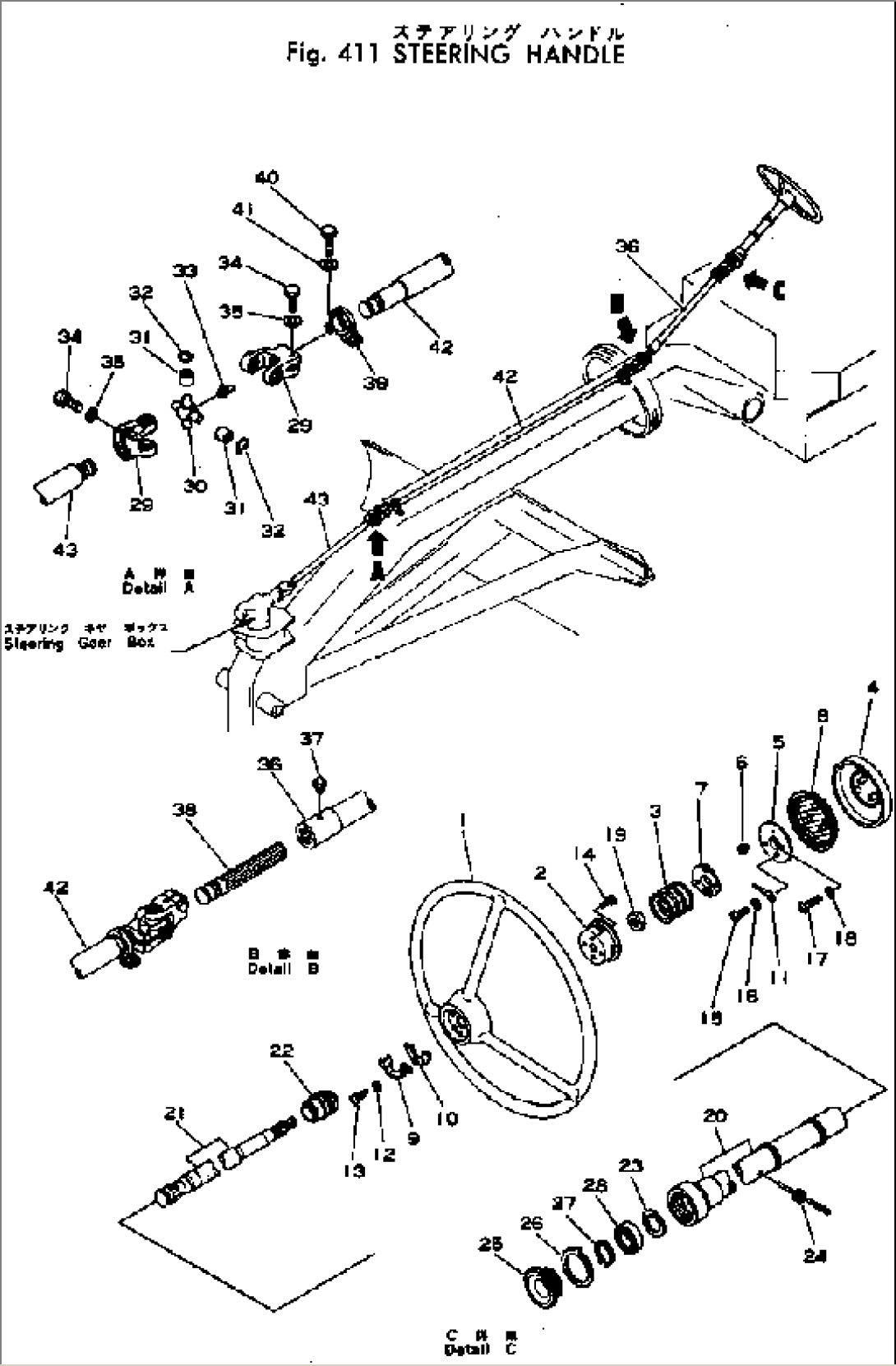
| 1 | 232-40-51110 | STEERING WHEEL | 10002- | |
| 2 | 232-40-51120 | CUP | 10002- | |
| 3 | 232-40-51130 | SPRING | 10002- | |
| 4 | 232-40-51140 | BUTTON | 10002- | |
| 5 | 232-40-51150 | PLATE | 10002- | |
| 6 | 232-40-51160 | INSULATOR | 10002- | |
| 7 | 232-40-51170 | PLATE | 10002- | |
| 8 | 232-40-51180 | CUSHION | 10002- | |
| 9 | 232-40-51190 | BRUSH | 10002- | |
| 10 | 232-40-51210 | INSULATOR | 10002- | |
| 11 | 232-40-51220 | WIRE | 10002- | |
| 12 | 232-40-51230 | WASHER | 10002- | |
| 13 | 232-40-51240 | SCREW | 10002- | |
| 14 | 232-40-51250 | SCREW | 10002- | |
| 15 | 01220-40306 | SCREW | 10002- | |
| 16 | 01601-10307 | WASHER | 10002- | |
| 17 | 01220-40416 | SCREW | 10002- | |
| 18 | 01601-10410 | WASHER | 10002- | |
| 19 | 01599-01415 | NUT | 10002- | |
| 232-40-52100 | COLUMN ASS'Y | 10002- | ||
| 20 | 232-40-52110 | COLUMN | 10002- | |
| 21 | 232-40-52120 | SHAFT | 10002- | |
| 22 | 232-40-52130 | BUSHING | 10002- | |
| 23 | 232-40-52140 | SHIM | 10002- | |
| 24 | 232-40-52150 | GROMMET | 10002- | |
| 25 | 232-40-52160 | RETAINER | 10002- | |
| 26 | 232-40-52170 | WASHER | 10002- | |
| 27 | 04064-02512 | RING | 10002- | |
| 28 | 232-40-52190 | BEARING | 10002- | |
| 232-40-52800 | JOINT ASS'Y,\ | 10002- | ||
| 29 | 232-40-52720 | YOKE | 10002- | |
| 30 | 232-40-52730 | SPIDER | 10002- | |
| 31 | 232-40-52740 | BEARING | 10002- | |
| 32 | 232-40-52750 | RING | 10002- | |
| 33 | 232-40-52760 | FITTING | 10002- | |
| 34 | 01050-51035 | BOLT | 10002- | |
| 35 | 01602-21030 | WASHER | 10002- | |
| 36 | 232-40-52232 | SHAFT,\ | 10313- | |
| 232-40-52231 | SHAFT,\ | 10246-10312 | ||
| 232-40-52230 | SHAFT,\ | 10002-10245 | ||
| 37 | 07020-00000 | FITTING | 10002- | |
| 38 | 232-40-52242 | SHAFT,\ | 10313- | |
| 232-40-52241 | SHAFT,\ | 10246-10312 | ||
| 232-40-52240 | SHAFT,\ | 10002-10245 | ||
| 39 | 232-40-52600 | BEARING UNIT | 10002- | |
| 40 | 01010-51020 | BOLT | 10002- | |
| 41 | 01602-21030 | WASHER | 10002- | |
| 42 | 232-40-52252 | SHAFT,\ | .- | |
| \0\232-40-52250 | SHAFT,\ | 10002-. | ||
| 43 | 232-40-52260 | SHAFT | 10002- |
