
| Item | Part No. | Part Name | Qty | Serial No. |
| 267-60-10003 | STEERING ASS'Y | 1192- | ||
| 267-60-10002 | STEERING ASS'Y | 1157-1191 | ||
| 267-60-10001 | STEERING ASS'Y | 1137-1156 | ||
| 267-60-10000 | STEERING ASS'Y | 1111-1136 | ||
| 267-60-10009 | STEERING ASS'Y | 1057-1110 | ||
| 267-60-10008 | STEERING ASS'Y | 1047-1056 | ||
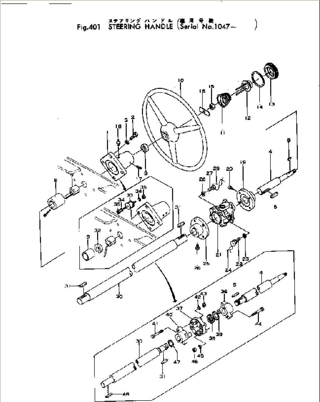
| 1 | 267-60-13122 | BRACKET | 1192- | |
| 1 | 267-60-13121 | BRACKET | 1047-1191 | |
| 2 | 01040-31235 | BOLT | 1047-1191 | |
| 3 | 01602-01236 | WASHER | 1047-1191 | |
| 4 | 267-60-13113 | SHAFT | 1192- | |
| 4 | 267-60-13112 | SHAFT | 1137-1191 | |
| 4 | 267-60-13111 | SHAFT | 1047-1136 | |
| 5 | 04000-00740 | KEY | 1192- | |
| 5 | 04000-01040 | KEY | 1047-1191 | |
| 6 | 265-60-12220 | KEY | 1142- | |
| 6 | 267-60-13160 | KEY | 1047-1141 | |
| 7 | 267-60-13140 | BUSHING | 1047- | |
| 8 | 267-60-13132 | BUSHING | 1192- | |
| 8 | 267-60-13131 | BUSHING | 1047-1191 | |
| 9 | 267-60-13150 | RETAINER | 1047- | |
| 10 | \6\ | HANDLE | 1047- | |
| 10 | 265-60-12800 | HANDLE ASS'Y | 1047- | |
| 11 | \6\ | SPRING | 1047- | |
| 12 | \6\ | CAP | 1047- | |
| 13 | 265-60-12820 | RETAINER | 1047- | |
| 14 | \6\ | RING | 1047- | |
| 15 | 01503-01008 | NUT | 1192- | |
| 15 | 01503-31210 | NUT | 1137-1191 | |
| 15 | 01500-31210 | NUT | 1047-1136 | |
| 16 | 267-60-13170 | WASHER | 1047- | |
| 17 | 267-07-08016 | SCREW | 1192- | |
| 17 | 01320-00616 | SCREW | 1047-1191 | |
| 18 | 07020-00000 | FITTING | 1047-1191 | |
| 19 | 267-60-13220 | FLANGE | 1047-1191 | |
| 20 | 01046-00825 | BOLT | 1047-1191 | |
| 21 | 267-60-13300 | UNIVERSAL JOINT A. | 1047-1191 | |
| 21 | \6\ | JOINT | 1047-1191 | |
| 21 | \6\ | FLANGE | 1047-1191 | |
| 21 | \6\ | RING | 1047-1191 | |
| 22 | 267-60-13230 | BOLT | 1047-1191 | |
| 23 | 01602-01030 | WASHER | 1047-1191 | |
| 24 | 04059-01020 | WIRE | 1047-1191 | |
| 25 | 267-60-13220 | FLANGE | 1047-1191 | |
| 26 | 01046-00825 | BOLT | 1047-1191 | |
| 27 | 267-60-13230 | BOLT | 1047-1191 | |
| 28 | 01602-01030 | WASHER | 1047-1191 | |
| 29 | 04059-01020 | WIRE | 1047-1191 | |
| 30 | 267-60-13401 | ROD | 1192- | |
| 30 | 267-60-13400 | ROD | 1047-1191 | |
| 31 | 04000-00740 | KEY | 1192- | |
| 31 | 04000-01035 | KEY | 1047-1191 | |
| 32 | 267-60-13920 | COLLAR | 1192- | |
| 33 | 267-60-13910 | PAD | 1192- | |
| 34 | 01602-00619 | WASHER | 1192- | |
| 35 | 01580-00605 | NUT | 1192- | |
| 36 | \0\266-50-14340 | COUPLING | 1192- | |
| 37 | 266-50-14360 | COUPLING | 1192- | |
| 38 | 265-06-05000 | NUT | 1192- | |
| 39 | 265-07-05000 | WASHER | 1192- | |
| 40 | 266-50-14340 | COUPLING | 1192- | |
| 41 | 01010-30860 | BOLT | 1192- | |
| 42 | 01602-00825 | WASHER | 1192- | |
| 43 | 01580-00806 | NUT | 1192- | |
| 44 | 01010-30860 | BOLT | 1192- | |
| 45 | 01602-00825 | WASHER | 1192- | |
| 46 | 01580-00806 | NUT | 1192- | |
| 47 | 04064-02512 | RING | 1192- | |
| 48 | 04000-00740 | KEY | 1192- |
