
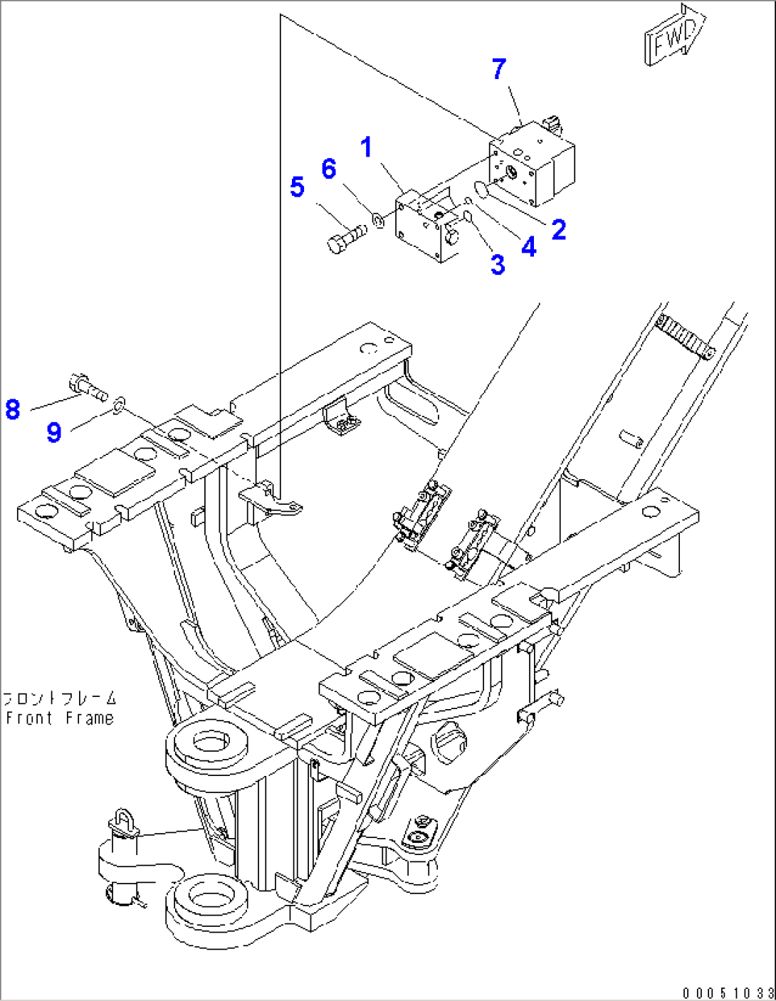
| Item | Part No. | Part Name | Qty | Serial No. |
| 1 | 23B-40-42100 | PRIORITY VALVE ASS'Y | 51301- | |
| 2 | 07000-13038 | O-RING | 51301- | |
| 3 | 07000-12022 | O-RING | 51301- | |
| 4 | 07000-12014 | O-RING | 51301- | |
| 5 | 01010-81275 | BOLT | 51301- | |
| 6 | 01643-31232 | WASHER | 51301- | |
| 7 | (23B-40-44101) | VALVE ASS'Y | 51301- | |
| 8 | 01010-81230 | BOLT | 51301- | |
| 9 | 01643-31232 | WASHER | 51301- |
