
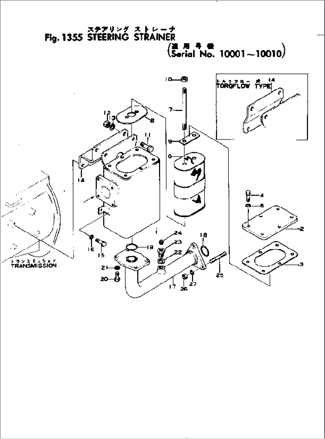
| Item | Part No. | Part Name | Qty | Serial No. |
| 150-19-00100 | STRAINER ASS'Y | 10000-10000 | ||
| 154-19-00100 | STRAINER ASS'Y | 10001-10010 | ||
| 154-19-00030 | STRAINER ASS'Y | 10001-10010 | ||
| 1 | 154-19-11110 | CASE | 10001-10010 | |
| 2 | 154-19-11120 | COVER | 10001-10010 | |
| 3 | 154-19-11130 | GASKET (KIT) | 10001-10010 | |
| 4 | 01040-41020 | BOLT | 10001-10010 | |
| 5 | 01602-11030 | WASHER | 10001-10010 | |
| 6 | 154-19-11140 | SCREEN | 10001-10010 | |
| 7 | 154-19-11150 | BOLT | 10001-10010 | |
| 8 | 154-19-11160 | GASKET (KIT) | 10001-10010 | |
| 9 | 154-19-11170 | WASHER | 10001-10010 | |
| 10 | 01503-41008 | NUT | 10001-10010 | |
| 11 | 01040-41225 | BOLT | 10001-10010 | |
| 12 | 01503-41210 | NUT | 10001-10010 | |
| 13 | 01602-11236 | WASHER | 10001-10010 | |
| 14 | 150-19-11190 | BRACKET | 10000-10000 | |
| 154-19-11180 | BRACKET | 10001-10010 | ||
| 15 | 01040-41225 | BOLT | 10001-10010 | |
| 16 | 01602-11236 | WASHER | 10001-10010 | |
| 17 | 154-19-18111 | TUBE | 10001-@ | |
| 18 | 07000-03055 | O-RING (KIT) | 10001-@ | |
| 19 | 07000-03058 | O-RING (KIT) | 10001-@ | |
| 20 | 01040-41230 | BOLT | 10001-10010 | |
| 21 | 01602-11236 | WASHER | 10001-10010 | |
| 22 | 154-19-17121 | PLUG | 10001-* | |
| 23 | 07003-01621 | GASKET (KIT) | 10001-* | |
| 24 | 07042-00108 | PLUG | 10001-* | |
| 25 | 01144-41230 | STUD | 10001-10010 | |
| 26 | 01503-41210 | NUT | 10001-10010 | |
| 27 | 01602-11236 | WASHER | 10001-10010 |
