
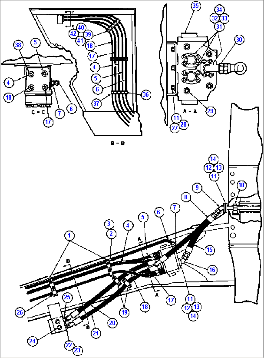
| Item | Part No. | Part Name | Qty | Serial No. |
| 1 | WA4704 | CLAMP | ||
| 2 | WA4892 | CLAMP | ||
| 3 | WA4893 | CLAMP | ||
| 4 | HA6302 | HOSE | ||
| 5 | HA6301 | HOSE | ||
| 6 | HA6300 | HOSE | ||
| 7 | WB0499 | FITTING - 90 DEG | ||
| 8 | HA5803 | HOSE | ||
| 9 | WA3027 | FITTING - 45 DEG | ||
| 10 | WA4709 | CLAMP | ||
| 11 | C5775 | LOCKWASHER - 7/16" | ||
| 12 | C1609 | CAPSCREW - 7/16" - 14NC X 1 1/2" | ||
| 13 | VG9096 | SEAL, O-RING | ||
| 14 | TF3237 | CLAMP, HALF | ||
| 15 | HA6306 | HOSE | ||
| 16 | WA3028 | ADAPTOR - 45 DEG | ||
| 17 | HA6303 | HOSE | ||
| 18 | HA6343 | HOSE | ||
| 19 | WA4710 | CLAMP | ||
| 20 | HA6305 | HOSE | ||
| 21 | HA6304 | HOSE | ||
| 22 | WB0598 | FITTING - 90 DEG ELBOW | ||
| 23 | WB0378 | FITTING - 90 DEG | ||
| 24 | PB6770 | COUPLING, MALE - QUICK DISCONNECT | ||
| 25 | WB0520 | FITTING, O-RING | ||
| 26 | DH0059 | CAPSCREW - 5/16" - 18NC X 3 3/4" | ||
| 27 | H0594 | CAPSCREW - 7/16" - 14NC X 1 1/4" | ||
| 28 | PB1255 | FLAT WASHER, HARDENED - 7/16" | ||
| 29 | WB0584 | FITTING, STRAIGHT | ||
| 30 | WA4855 | ELBOW - 90 DEG | ||
| 31 | C1603 | CAPSCREW - 3/8" - 16NC X 1 1/4" | ||
| 32 | TF8077 | FLANGE, SPLIT | ||
| 33 | VG9097 | SEAL, O-RING | ||
| 34 | C0312 | LOCKWASHER - 3/8" | ||
| 35 | PB7243 | FLOW AMPLIFIER (SEE INDEX) | ||
| 36 | WA4704 | CLAMP | ||
| 37 | WA4706 | CLAMP | ||
| 38 | WB0584 | FITTING, STRAIGHT | ||
| 39 | TR6922 | CAPSCREW - 3/8" - 16NC X 1/2" | ||
| 40 | TR4436 | FLAT WASHER - 3/8" | ||
| 41 | TC1231 | LOCKWASHER - 3/8" | ||
| 42 | EB1523 | CHANNEL |
