
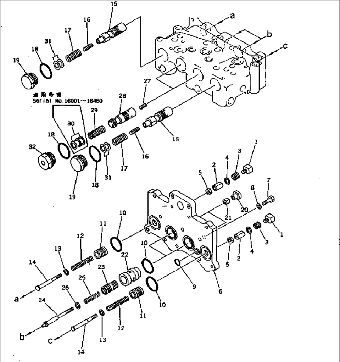
| Item | Part No. | Part Name | Qty | Serial No. |
| (195-40-00600) | STEERING VALVE ASS'Y | 16461- | ||
| (\0\195-40-00100) | STEERING VALVE ASS'Y | 16001-16460 | ||
| (195-40-00501) | STEERING VALVE ASS'Y,(B) | 16461- | ||
| (\0\195-40-00500) | STEERING VALVE ASS'Y,(B) | 16001-16460 | ||
| THESE ASSEMBLIES CONSIST OF ALL PARTS SHOWN IN FIGS.4501 AND 4502. | ||||
| 1 | 195-40-31420 | BOLT | 16001- | |
| 2 | 195-40-31220 | NUT | 16001- | |
| 3 | 195-40-41670 | SPRING | 16001- | |
| 4 | 195-40-41660 | SHIM¤ 1.5MM | 16001- | |
| 5 | 01580-10806 | NUT | 16001- | |
| 6 | 195-40-41520 | COVER | 16001- | |
| 7 | 01010-50830 | BOLT | 16001- | |
| 8 | 01643-30823 | WASHER | 16001- | |
| 9 | 07000-02018 | O-RING | 16001- | |
| 07000-42018 | O-RING,(B) | 16001- | ||
| 10 | 07000-03040 | O-RING | 16001- | |
| 07000-43040 | O-RING,(B) | 16001- | ||
| 11 | 195-40-31430 | GUIDE | 16001- | |
| 12 | 195-40-31390 | SPRING | 16001- | |
| 13 | 195-40-31480 | GUIDE | 16001- | |
| 14 | 195-40-31450 | SHAFT | 16001- | |
| 15 | 195-40-31471 | VALVE | 16461- | |
| 195-40-31470 | VALVE | 16001-16460 | ||
| 16 | 19M-40-11160 | PISTON | 16001- | |
| 17 | 195-40-31370 | SPRING | 16001- | |
| 18 | 07002-03634 | O-RING | 16001- | |
| 07002-43634 | O-RING,(B) | 16001- | ||
| 19 | 195-40-31361 | PLUG | 16461- | |
| 195-40-31360 | PLUG | 16001-16460 | ||
| 20 | 195-40-31330 | NUT | 16001- | |
| 21 | 195-40-31310 | NUT | 16001- | |
| 22 | 195-40-31290 | CYLINDER | 16001- | |
| 23 | 195-40-31350 | GUIDE | 16001- | |
| 24 | 195-40-31280 | SHAFT | 16001- | |
| 25 | 195-40-31240 | SPRING | 16001- | |
| 26 | 195-40-31480 | GUIDE | 16001- | |
| 27 | 195-40-31540 | PISTON | 16001- | |
| 28 | 195-40-31510 | VALVE | 16001- | |
| 29 | 195-40-31140 | SPRING | 16001- | |
| 30 | 195-40-31530 | SHIM¤ 0.5MM | 16001-16460 | |
| 31 | 195-40-31780 | SHIM | 16001- | |
| 32 | 195-40-31520 | PLUG | 16001- |
