
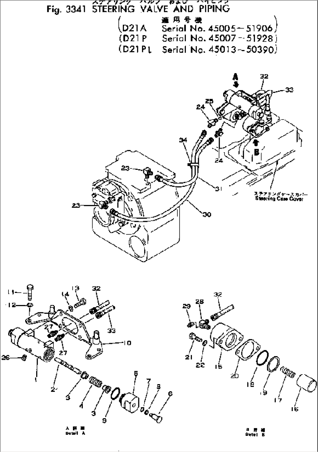
| Item | Part No. | Part Name | Qty | Serial No. |
| 113-40-00011 | VALVE ASS'Y | 45441-50390 | ||
| \0\113-40-00010 | VALVE ASS'Y | 45013-45440 | ||
| 1 | 113-40-21210 | BODY | 45441-50390 | |
| 1 | \0\113-40-21110 | BODY | 45013-45440 | |
| 2 | 113-40-21120 | SPOOL | 45013-50390 | |
| 3 | 113-40-21130 | CAP | 45013-50390 | |
| 4 | 113-40-21140 | SPRING | 45013-50390 | |
| 5 | 113-40-21160 | CAP | 45013-50390 | |
| 6 | 113-40-21150 | STEM | 45013-50390 | |
| 7 | 07000-02012 | O-RING | 45013-50390 | |
| 8 | 07001-02012 | RING | 45013-50390 | |
| 9 | 07000-03040 | O-RING | 45013-50390 | |
| 10 | (103-43-21251) | BRACKET | 45013-50390 | |
| 11 | (01010-31025) | BOLT | 45013-50390 | |
| 12 | (01602-01030) | WASHER | 45013-@ | |
| 13 | 01010-31025 | BOLT | 45441-50390 | |
| 13 | 01010-31020 | BOLT | 45013-45440 | |
| 14 | 01602-01030 | WASHER | 45013-50390 | |
| 15 | 103-40-22113 | CYLINDER | 45013-50390 | |
| 16 | 113-40-22130 | PISTON | 45013-@ | |
| 17 | 234-15-15230 | SPRING | 45013-@ | |
| 18 | 07000-05055 | O-RING | 45013-@ | |
| 19 | 07001-05055 | RING | 45013-@ | |
| 20 | 103-40-22121 | GASKET | 45013-@ | |
| 21 | 01010-31030 | BOLT | 45013-@ | |
| 22 | 01602-01030 | WASHER | 45013-@ | |
| 23 | 113-40-23130 | ELBOW | 45013-50390 | |
| 24 | 113-40-23140 | ADAPTER | 45013-50390 | |
| 25 | 04260-00952 | BALL | 45013-50390 | |
| 26 | 07043-00211 | PLUG | 45013-50390 | |
| 27 | 102-49-41140 | ADAPTER | 45013-50390 | |
| 28 | 113-40-23180 | ADAPTER | 45013-50390 | |
| 29 | 07042-20108 | PLUG | 45013-50390 | |
| 30 | 103-40-23152 | HOSE | 45374-@ | |
| 30 | \3\103-40-23151 | HOSE | 45013-45373 | |
| (103-40-23152,101-04-12250) | ||||
| 31 | 103-40-23162 | HOSE | 45374-50390 | |
| 31 | \3\103-40-23161 | HOSE | 45013-45373 | |
| (103-40-23162,101-04-12250) | ||||
| 32 | 103-40-23182 | HOSE | 45374-50390 | |
| 32 | \0\103-40-23181 | HOSE | 45013-45373 | |
| 33 | 103-40-23172 | HOSE | 45374-50390 | |
| 33 | \0\103-40-23171 | HOSE | 45013-45373 | |
| 34 | 101-04-12250 | CLIP ASS'Y | 45374-@ | |
| 34 | 140-06-18310 | CLIP | 45013-45373 |
